Toro 57356 (11-42) - 11-42 Lawn Tractor, 1981 (1000001-1999999) 36" SNOWTHROWER ATTACHMENT MODEL 59136 #2 Ersatzteile
36" SNOWTHROWER ATTACHMENT MODEL 59136 #2 57356 (11-42) - Toro 11-42 Lawn Tractor, 1981 (1000001-1999999)

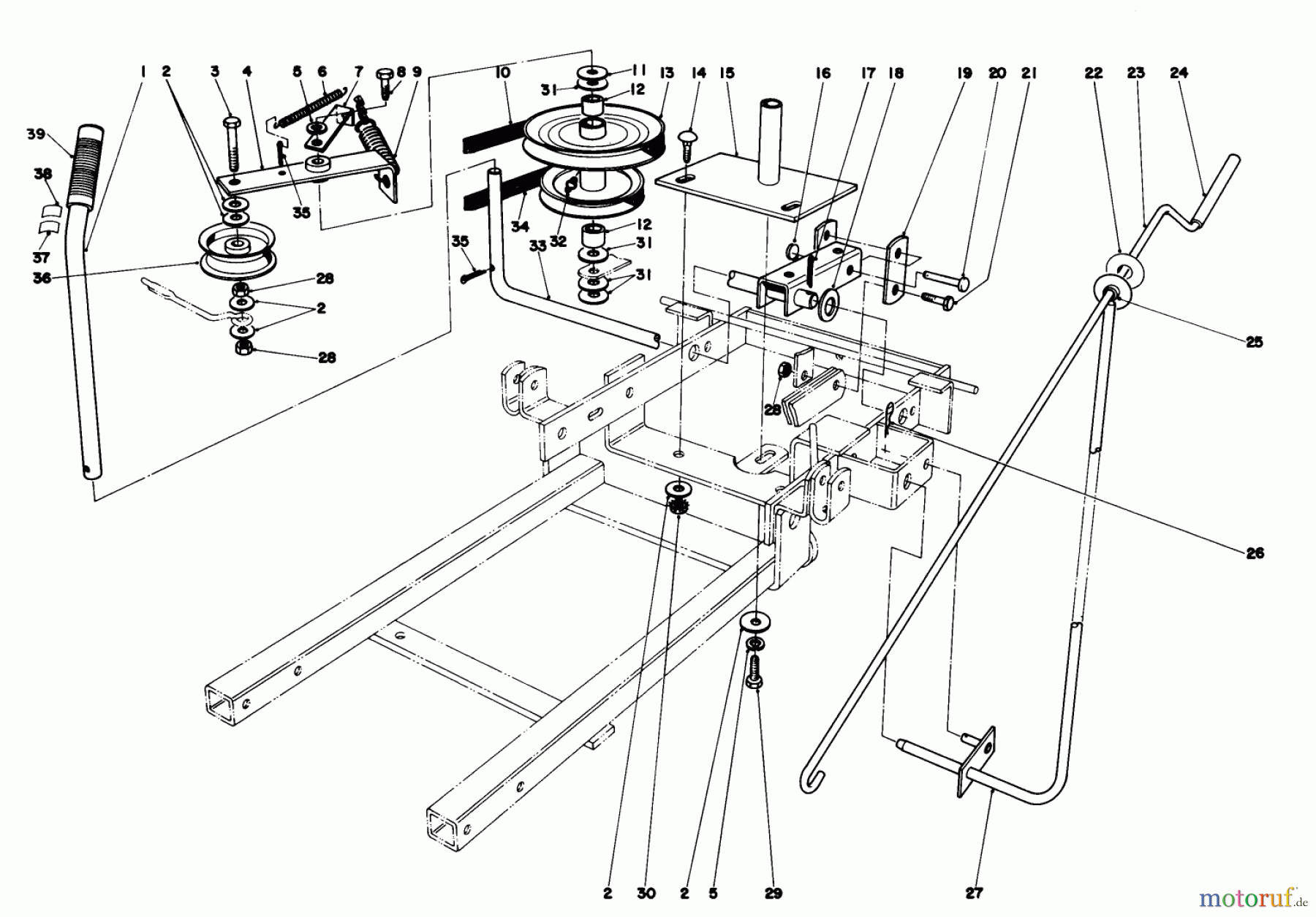
Hier finden Sie die Ersatzteilzeichnung für Toro Neu Mowers, Lawn & Garden Tractor Seite 1 57356 (11-42) - Toro 11-42 Lawn Tractor, 1981 (1000001-1999999) 36" SNOWTHROWER ATTACHMENT MODEL 59136 #2. Wählen Sie das benötigte Ersatzteil aus der Ersatzteilliste Ihres Toro Gerätes aus und bestellen Sie einfach online. Viele Toro Ersatzteile halten wir ständig in unserem Lager für Sie bereit.





