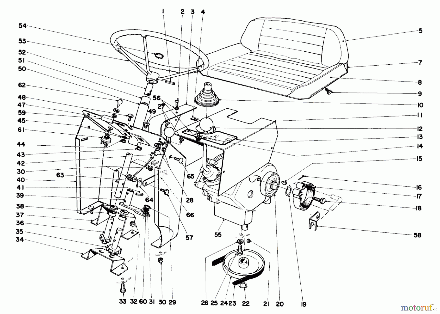
Toro 57060 - 25" Lawn Tractor, 1970 (0000001-0999999) STEERING AND TRANSMISSION ASSEMBLY Ersatzteile
STEERING AND TRANSMISSION ASSEMBLY 57060 - Toro 25" Lawn Tractor, 1970 (0000001-0999999)

Hier finden Sie die Ersatzteilzeichnung für Toro Neu Mowers, Lawn & Garden Tractor Seite 1 57060 - Toro 25" Lawn Tractor, 1970 (0000001-0999999) STEERING AND TRANSMISSION ASSEMBLY. Wählen Sie das benötigte Ersatzteil aus der Ersatzteilliste Ihres Toro Gerätes aus und bestellen Sie einfach online. Viele Toro Ersatzteile halten wir ständig in unserem Lager für Sie bereit.



