Toro 55050 (935) - 935 Electric Lawn Tractor, 1969 (9000001-9999999) 935 AND 935E DASH ASSEMBLY Ersatzteile
935 AND 935E DASH ASSEMBLY 55050 (935) - Toro 935 Electric Lawn Tractor, 1969 (9000001-9999999)

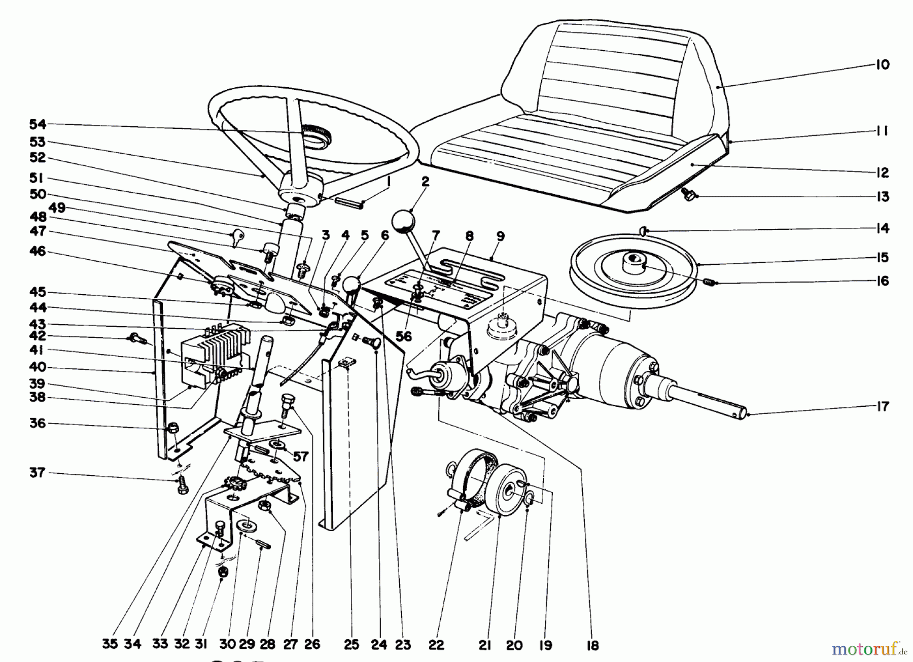
Hier finden Sie die Ersatzteilzeichnung für Toro Neu Mowers, Lawn & Garden Tractor Seite 1 55050 (935) - Toro 935 Electric Lawn Tractor, 1969 (9000001-9999999) 935 AND 935E DASH ASSEMBLY. Wählen Sie das benötigte Ersatzteil aus der Ersatzteilliste Ihres Toro Gerätes aus und bestellen Sie einfach online. Viele Toro Ersatzteile halten wir ständig in unserem Lager für Sie bereit.
| BildNr | Artikel Nummer | Bezeichnung | |
| 1 | TR32121-78S | ||
| 2 | TR233-21S | ||
| 3 | TR3217-26 | Mutter | |
| 4 | TR3255-17 | Federring | |
| 5 | TR3290-111 | Schraube | |
| 6 | TR7-4100 | ||
| 7 | TR3258-2 | SCREW | |
| 8 | TR7-4123 | ||
| 9 | TR7-4030 | ||
| 10 | TR7-3351 | ||
| 11 | TR7-3871 | ||
| 12 | TR7-3872 | ||
| 13 | TR32140-42 | Schraube | |
| 14 | TR3257-32 | Keil | |
| 15 | TR7-4051 | ||
| 16 | TR3242-13S | ||
| 17 | TR7-4001 | DISCONTINUED OBS | |
| 18 | TR7-4264 | DISCONTINUED OBS | |
| 19 | TR3257-32 | Keil | |
| 20 | TR32120-64 | Ring | |
| 21 | TR7-4218 | ||
| 22 | TR7-4220 | DISCONTINUED | |
| 23 | TR32122-43S | ||
| 24 | TR3229-1 | Schraube | |
| 25 | TR3290-192 | DISCONTINUED | |
| 26 | TR7-4152 | DISCONTINUED | |
| 27 | TR7-4151 | ||
| 28 | ![]() | TR3296-6 | NUT-LOCK |
| 29 | TR32121-34S | ||
| 30 | TR7-4150 | WASHER | |
| 31 | TR32152-1S | ||
| 32 | TR322-3 | Schraube | |
| 33 | TR7-4148 | DISCONTINUED | |
| 34 | TR7-4156 | STEERING PINION | |
| 35 | TR7-4153 | ||
| 36 | TR32152-1S | ||
| 37 | TR322-3 | Schraube | |
| 38 | TR32152-4S | ||
| 39 | TR | ||
| 40 | TR7-4335 | ||
| TR7-4540 | |||
| 41 | TR7-4155 | ||
| 42 | TR3258-157S | ||
| 43 | TR32149-6 | NUT-KEPS | |
| 44 | TR32152-1S | ||
| 45 | TR32152-4S | ||
| 46 | TR7-4630 | ||
| 47 | TR7-4125 | ||
| TR7-4126 | |||
| 48 | TR7-4388 | ||
| 49 | TR62-7770 | ZUENDSCHLUESSEL | |
| 50 | TR3258-158S | ||
| 51 | TR7-4002 | ||
| 52 | TR256-167S | ||
| 53 | TR238-5S | ||
| 54 | TR7-4323 | DISCONTINUED | |
| 56 | TR3253-3 | Federring | |
| 57 | TR7-4650 | Scheibe | |


Qualitätsmanagement
Informieren Sie uns, wenn Sie einen Fehler gefunden haben.


