Toro 30610 (120) - Proline 120, 1995 (591300-599999) OIL PAN/LUBRICATION Ersatzteile
OIL PAN/LUBRICATION 30610 (120) - Toro Proline 120, 1995 (591300-599999)

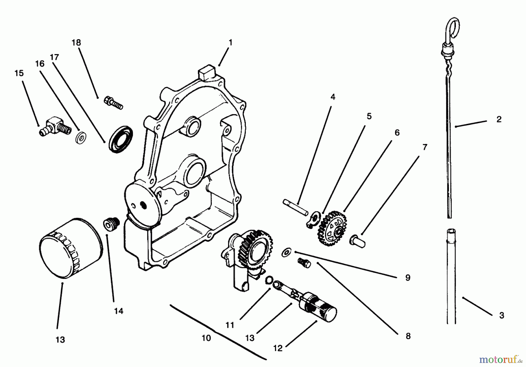
Hier finden Sie die Ersatzteilzeichnung für Toro Neu Mowers, Lawn & Garden Tractor Seite 1 30610 (120) - Toro Proline 120, 1995 (591300-599999) OIL PAN/LUBRICATION. Wählen Sie das benötigte Ersatzteil aus der Ersatzteilliste Ihres Toro Gerätes aus und bestellen Sie einfach online. Viele Toro Ersatzteile halten wir ständig in unserem Lager für Sie bereit.
| BildNr | Artikel Nummer | Bezeichnung | |
| 8 | KHM-645025 | Schraube | |
| 9 | KHM-631005 | U-Scheibe | |



