Toro 20052 (E24) - Carefree Recycler Electric Mower, E24, 1999 (99000001-99999999) ELECTRICAL WIRING ASSEMBLY Ersatzteile
ELECTRICAL WIRING ASSEMBLY 20052 (E24) - Toro Carefree Recycler Electric Mower, E24, 1999 (99000001-99999999)

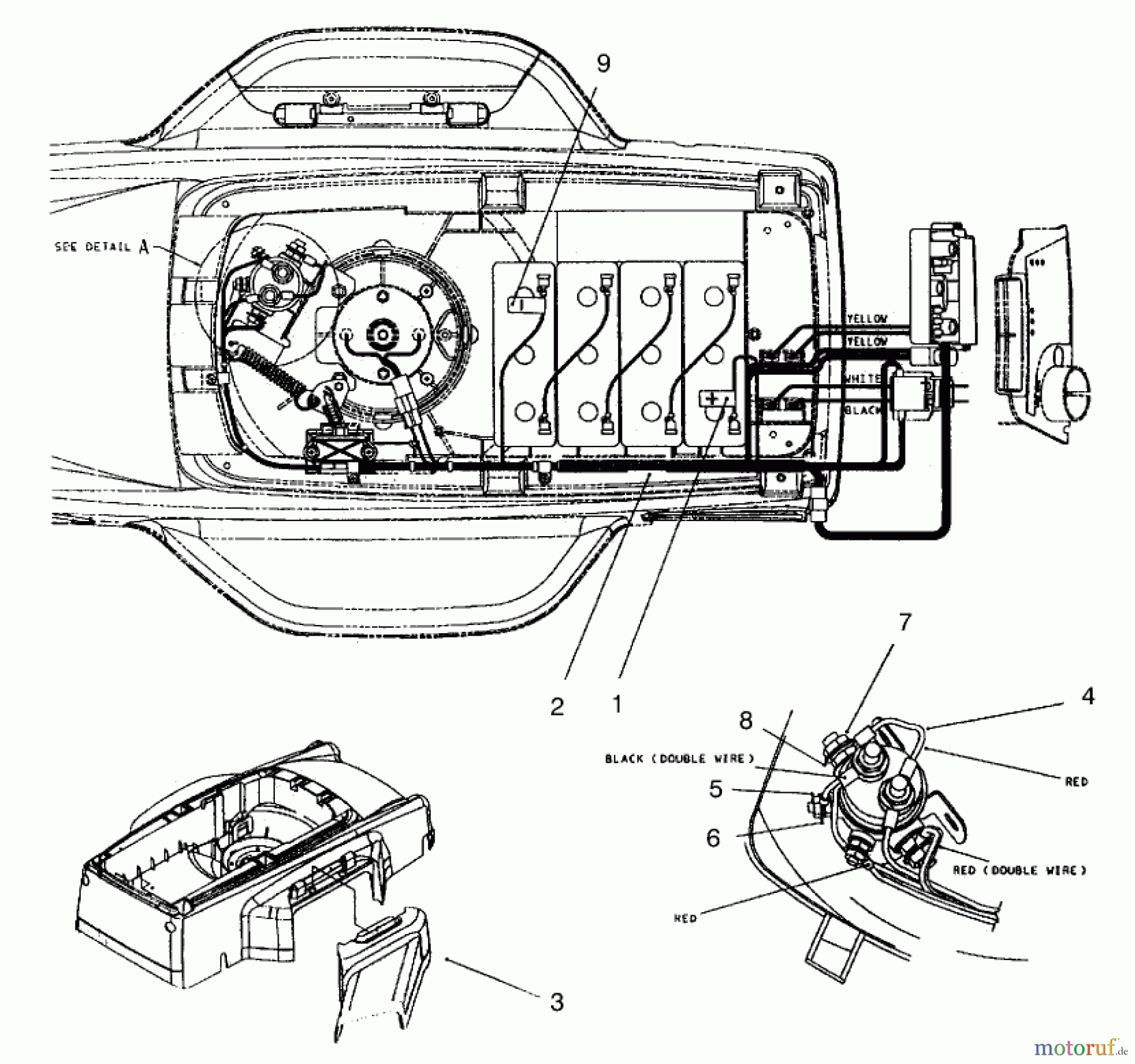
Hier finden Sie die Ersatzteilzeichnung für Toro Neu Mowers, Electric 20052 (E24) - Toro Carefree Recycler Electric Mower, E24, 1999 (99000001-99999999) ELECTRICAL WIRING ASSEMBLY. Wählen Sie das benötigte Ersatzteil aus der Ersatzteilliste Ihres Toro Gerätes aus und bestellen Sie einfach online. Viele Toro Ersatzteile halten wir ständig in unserem Lager für Sie bereit.
| BildNr | Artikel Nummer | Bezeichnung | |
| 1 | TR95-5158 | KABELKLEMME | |
| 2 | TR95-5048 | DISCONTINUED | |
| 3 | TR93-3963 | CHUTE - SIDE | |
| 4 | TR95-3254 | HARNESS-WIRE JUMPER | |
| 5 | TR3219-27 | DISCONTINUED | |
| 6 | TR3253-25 | Federring | |
| 7 | TR3220-2 | Mutter | |
| 8 | TR3253-4 | Federring | |
| 9 | TR95-5159 | DISCONTINUED | |



