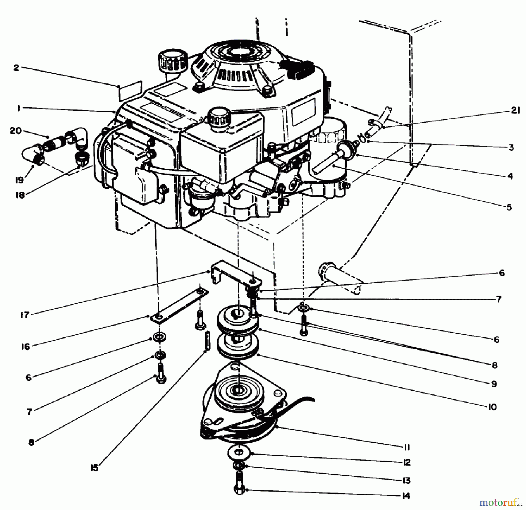
Toro 30156 - Mid-Size Proline Gear Traction Unit, 12.5 hp, 1991 (100001-199999) ENGINE ASSEMBLY Ersatzteile
ENGINE ASSEMBLY 30156 - Toro Mid-Size Proline Gear Traction Unit, 12.5 hp, 1991 (100001-199999)

Hier finden Sie die Ersatzteilzeichnung für Toro Neu Mowers, Drive Unit Only 30156 - Toro Mid-Size Proline Gear Traction Unit, 12.5 hp, 1991 (100001-199999) ENGINE ASSEMBLY. Wählen Sie das benötigte Ersatzteil aus der Ersatzteilliste Ihres Toro Gerätes aus und bestellen Sie einfach online. Viele Toro Ersatzteile halten wir ständig in unserem Lager für Sie bereit.



