Toro 78390 - 60" Side Discharge Mower, 1994 (4900001-4999999) SUSPENSION ASSEMBLY Ersatzteile
SUSPENSION ASSEMBLY 78390 - Toro 60" Side Discharge Mower, 1994 (4900001-4999999)

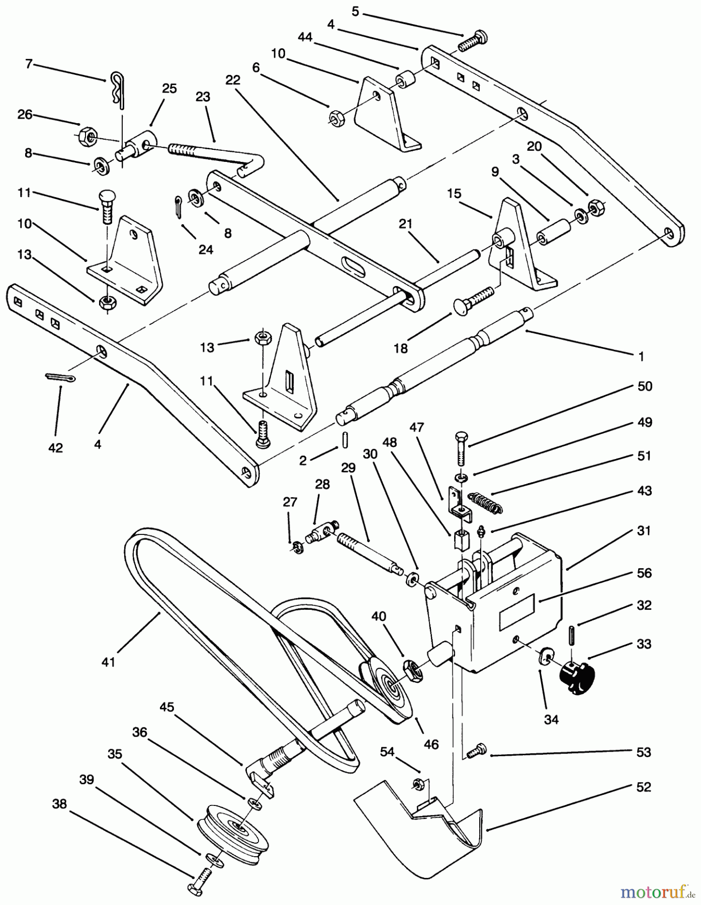
Hier finden Sie die Ersatzteilzeichnung für Toro Neu Mowers, Deck Assembly Only 78390 - Toro 60" Side Discharge Mower, 1994 (4900001-4999999) SUSPENSION ASSEMBLY. Wählen Sie das benötigte Ersatzteil aus der Ersatzteilliste Ihres Toro Gerätes aus und bestellen Sie einfach online. Viele Toro Ersatzteile halten wir ständig in unserem Lager für Sie bereit.


Qualitätsmanagement
Informieren Sie uns, wenn Sie einen Fehler gefunden haben.




