Toro 30544 (117/120) - 44" Side Discharge Mower, Groundsmaster 117/120, 1990 (000001-099999) CUTTING UNIT MODEL NO. 30747 #2 Ersatzteile
CUTTING UNIT MODEL NO. 30747 #2 30544 (117/120) - Toro 44" Side Discharge Mower, Groundsmaster 117/120, 1990 (000001-099999)

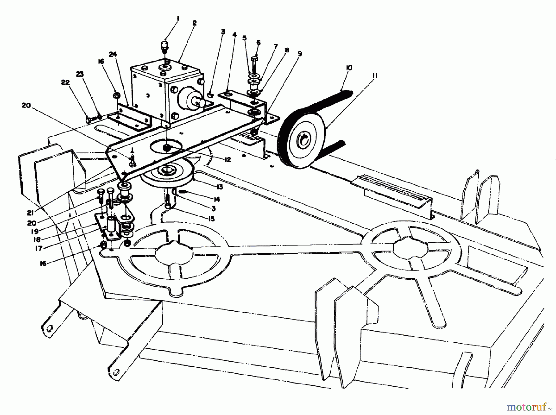
Hier finden Sie die Ersatzteilzeichnung für Toro Neu Mowers, Deck Assembly Only 30544 (117/120) - Toro 44" Side Discharge Mower, Groundsmaster 117/120, 1990 (000001-099999) CUTTING UNIT MODEL NO. 30747 #2. Wählen Sie das benötigte Ersatzteil aus der Ersatzteilliste Ihres Toro Gerätes aus und bestellen Sie einfach online. Viele Toro Ersatzteile halten wir ständig in unserem Lager für Sie bereit.


Qualitätsmanagement
Informieren Sie uns, wenn Sie einen Fehler gefunden haben.


