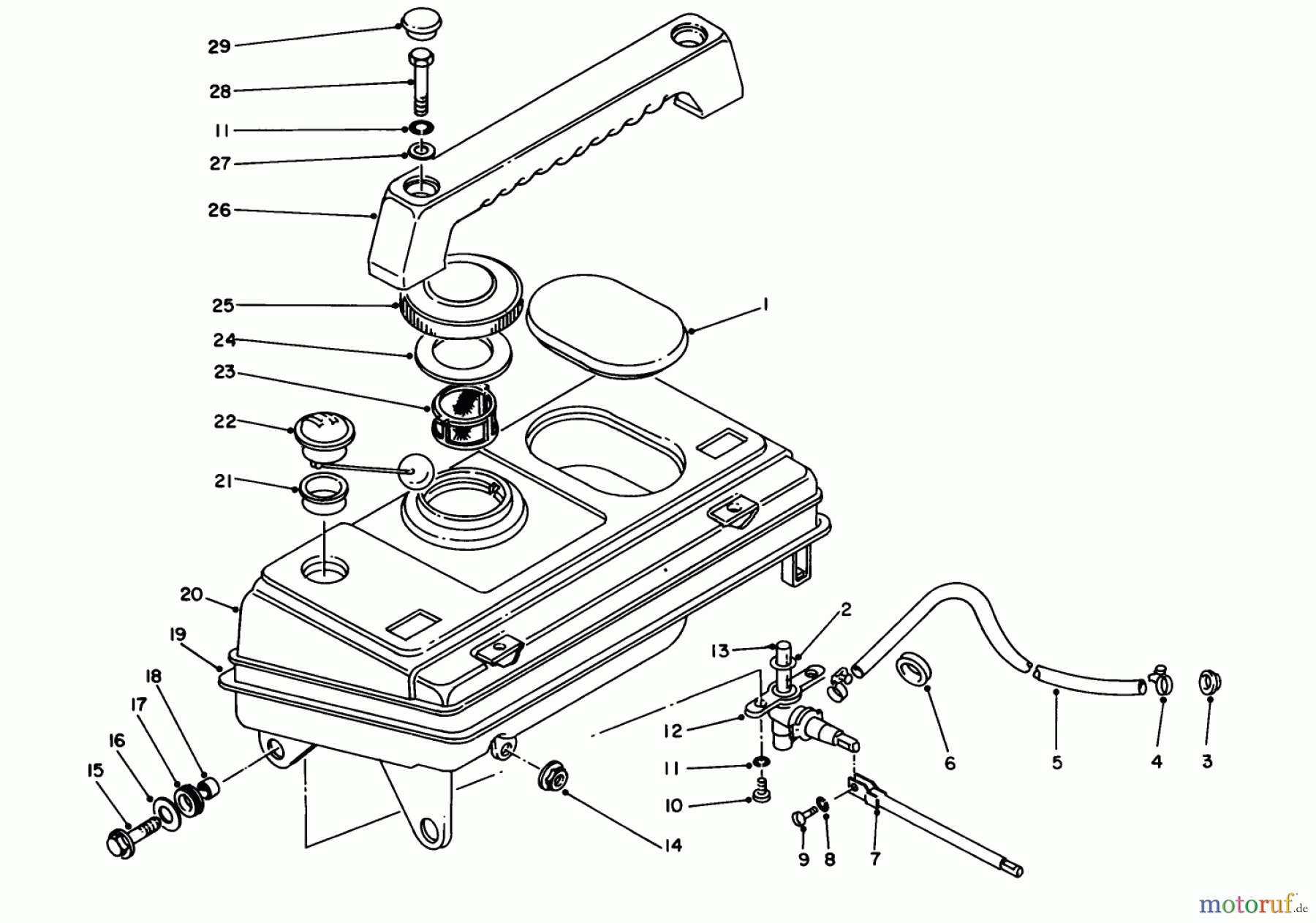
Toro 62008 (T800) - Generator, T800, 1988 (8000001-8999999) FUEL TANK ASSEMBLY Ersatzteile
FUEL TANK ASSEMBLY 62008 (T800) - Toro Generator, T800, 1988 (8000001-8999999)

Hier finden Sie die Ersatzteilzeichnung für Toro Neu Generators 62008 (T800) - Toro Generator, T800, 1988 (8000001-8999999) FUEL TANK ASSEMBLY. Wählen Sie das benötigte Ersatzteil aus der Ersatzteilliste Ihres Toro Gerätes aus und bestellen Sie einfach online. Viele Toro Ersatzteile halten wir ständig in unserem Lager für Sie bereit.


Qualitätsmanagement
Informieren Sie uns, wenn Sie einen Fehler gefunden haben.

