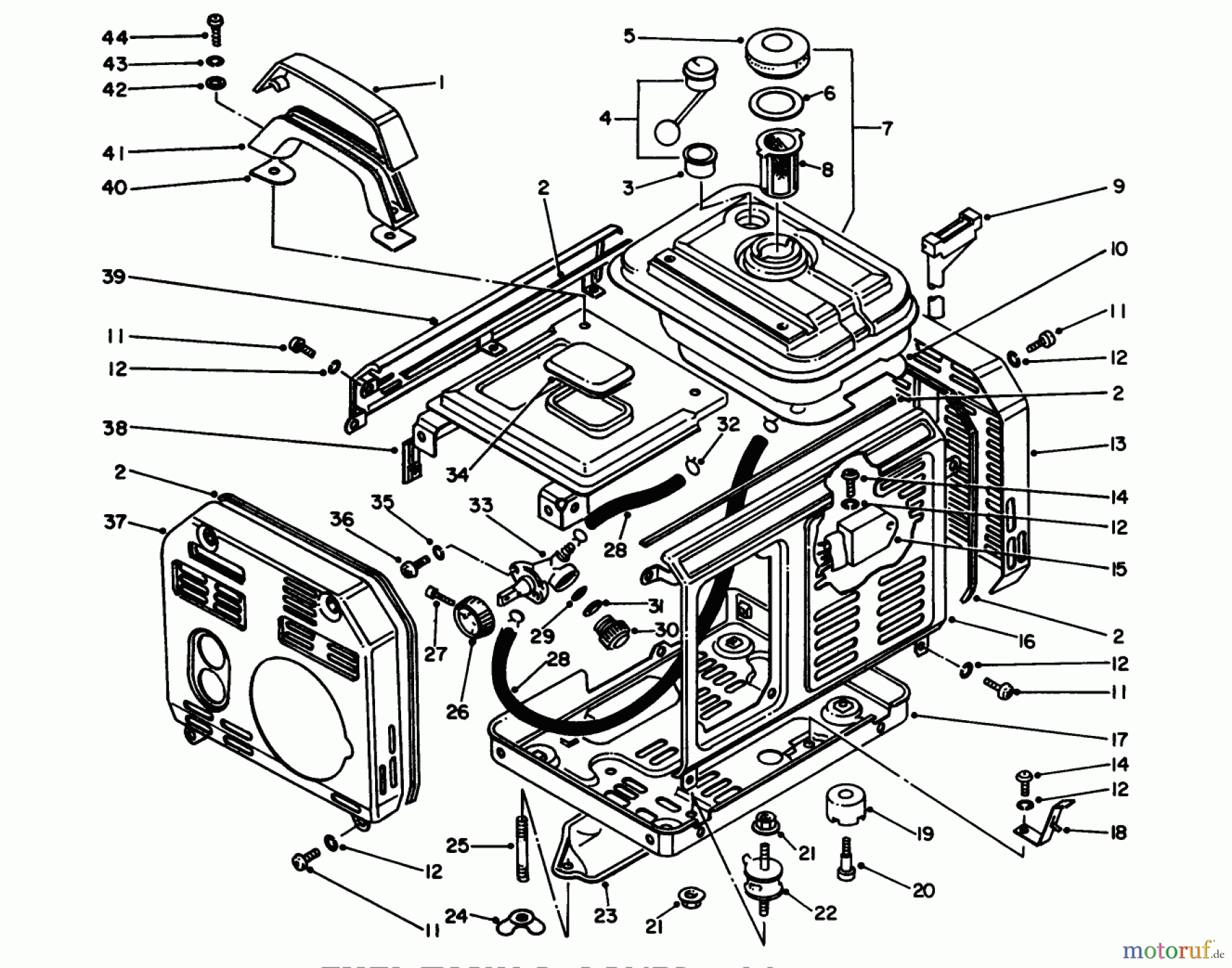
Toro 62005 (T500) - Generator, T500, 1985 (5000001-5999999) FUEL TANK & COVER ASSEMBLY Ersatzteile
FUEL TANK & COVER ASSEMBLY 62005 (T500) - Toro Generator, T500, 1985 (5000001-5999999)

Hier finden Sie die Ersatzteilzeichnung für Toro Neu Generators 62005 (T500) - Toro Generator, T500, 1985 (5000001-5999999) FUEL TANK & COVER ASSEMBLY. Wählen Sie das benötigte Ersatzteil aus der Ersatzteilliste Ihres Toro Gerätes aus und bestellen Sie einfach online. Viele Toro Ersatzteile halten wir ständig in unserem Lager für Sie bereit.



