Einkaufswagen
Mein Konto

Toro 59250 - Replacement Engine, 2-Cycle (Blade Brake Clutch), 1984 (4000001-4999999) FLYWHEEL & MAGNETO ASSEMBLY Ersatzteile

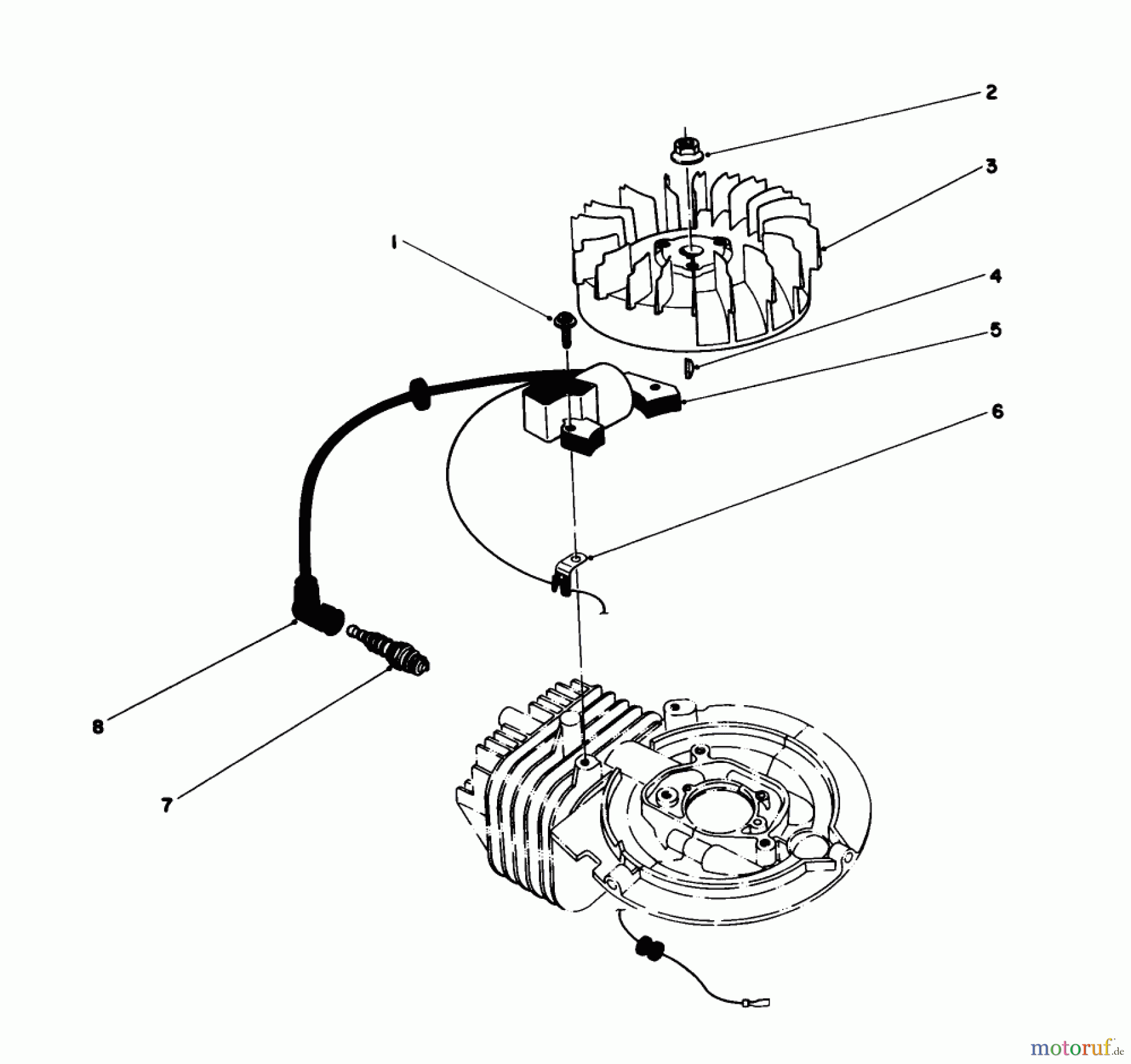
FLYWHEEL & MAGNETO ASSEMBLY 59250 - Toro Replacement Engine, 2-Cycle (Blade Brake Clutch), 1984 (4000001-4999999)

 Toro Neu Engines 59250 - Toro Replacement Engine, 2-Cycle (Blade Brake Clutch), 1984 (4000001-4999999) FLYWHEEL & MAGNETO ASSEMBLY

Hier finden Sie die Ersatzteilzeichnung für Toro Neu Engines 59250 - Toro Replacement Engine, 2-Cycle (Blade Brake Clutch), 1984 (4000001-4999999) FLYWHEEL & MAGNETO ASSEMBLY. Wählen Sie das benötigte Ersatzteil aus der Ersatzteilliste Ihres Toro Gerätes aus und bestellen Sie einfach online. Viele Toro Ersatzteile halten wir ständig in unserem Lager für Sie bereit.

Rasen
Bankeinzug, MasterCard, Visa, American Express, PayPal, Nachnahme, Vorauskasse, Sofortüberweisung
Qualitätsmanagement
Informieren Sie uns, wenn Sie einen Fehler gefunden haben.