Einstellungen Computer

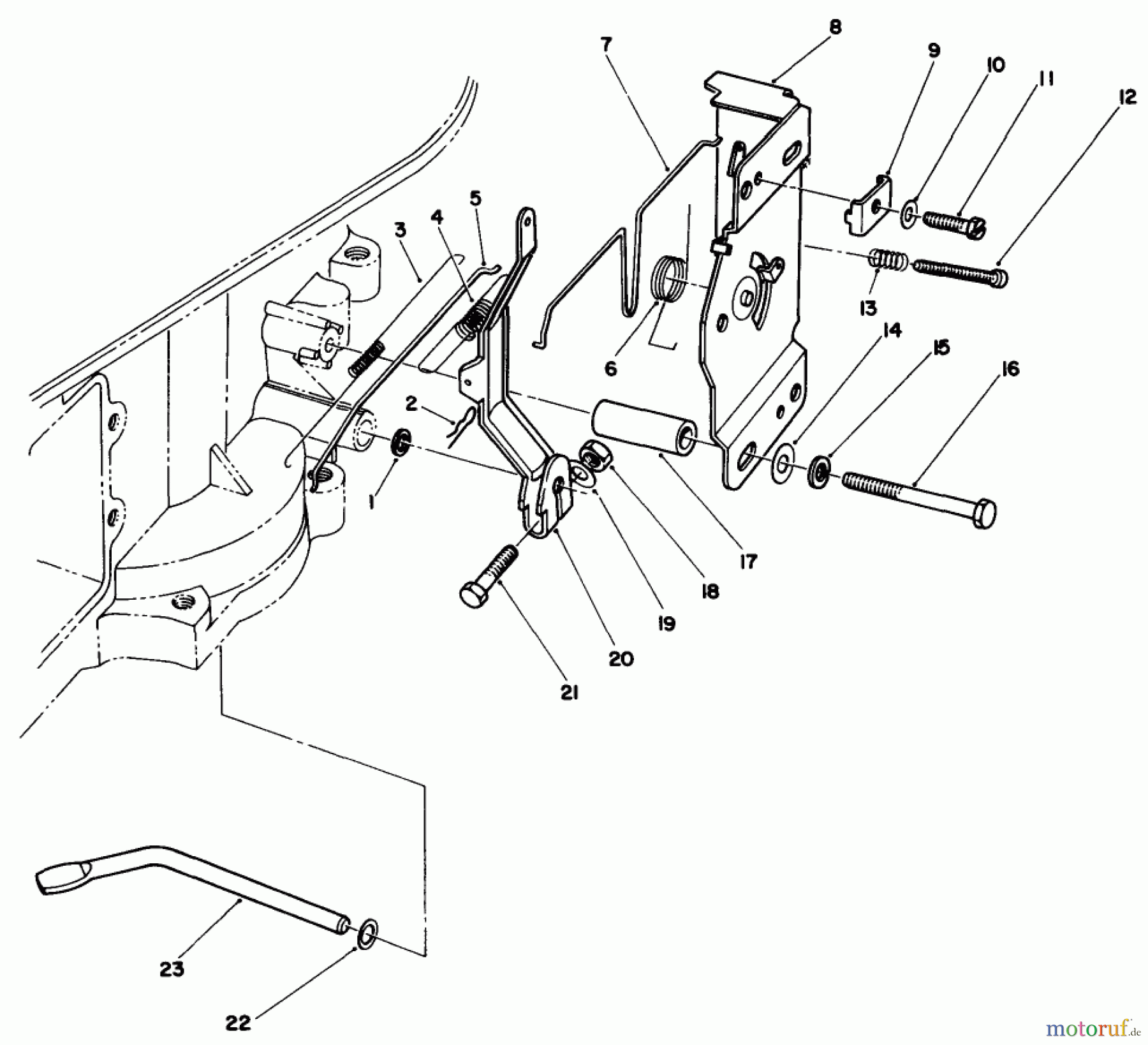
Toro 55-7800 - Replacement Engine, (Kawasaki) GOVERNOR ASSEMBLY (KAWASAKI MODEL FB460V TYPE DS08) Ersatzteile

GOVERNOR ASSEMBLY (KAWASAKI MODEL FB460V TYPE DS08) 55-7800 - Toro Replacement Engine, (Kawasaki)

 Toro Neu Engines 55-7800 - Toro Replacement Engine, (Kawasaki) GOVERNOR ASSEMBLY (KAWASAKI MODEL FB460V TYPE DS08)

Hier finden Sie die Ersatzteilzeichnung für Toro Neu Engines 55-7800 - Toro Replacement Engine, (Kawasaki) GOVERNOR ASSEMBLY (KAWASAKI MODEL FB460V TYPE DS08). Wählen Sie das benötigte Ersatzteil aus der Ersatzteilliste Ihres Toro Gerätes aus und bestellen Sie einfach online. Viele Toro Ersatzteile halten wir ständig in unserem Lager für Sie bereit.

Rasen
Bankeinzug, MasterCard, Visa, American Express, PayPal, Nachnahme, Vorauskasse, Sofortüberweisung
Datenschutzerklärung Impressum
Qualitätsmanagement
Informieren Sie uns, wenn Sie einen Fehler gefunden haben.