Toro 55-7800 - Replacement Engine, (Kawasaki) ENGINE ASSEMBLY (KAWASAKI MODEL FB460V TYPE DS08) Ersatzteile
ENGINE ASSEMBLY (KAWASAKI MODEL FB460V TYPE DS08) 55-7800 - Toro Replacement Engine, (Kawasaki)

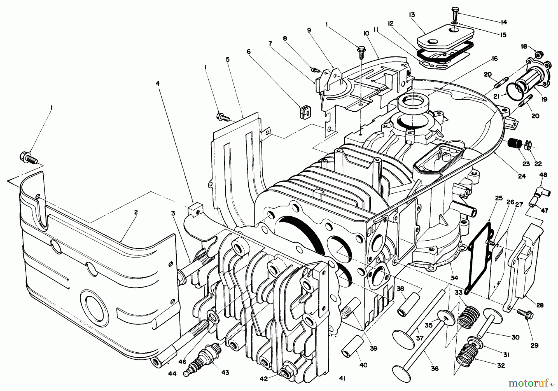
Hier finden Sie die Ersatzteilzeichnung für Toro Neu Engines 55-7800 - Toro Replacement Engine, (Kawasaki) ENGINE ASSEMBLY (KAWASAKI MODEL FB460V TYPE DS08). Wählen Sie das benötigte Ersatzteil aus der Ersatzteilliste Ihres Toro Gerätes aus und bestellen Sie einfach online. Viele Toro Ersatzteile halten wir ständig in unserem Lager für Sie bereit.





