Einstellungen Computer

Toro 62933 - 5 hp Lawn Blower, 1980 (0000001-0999999) CARBURETOR ASSEMBLY Ersatzteile

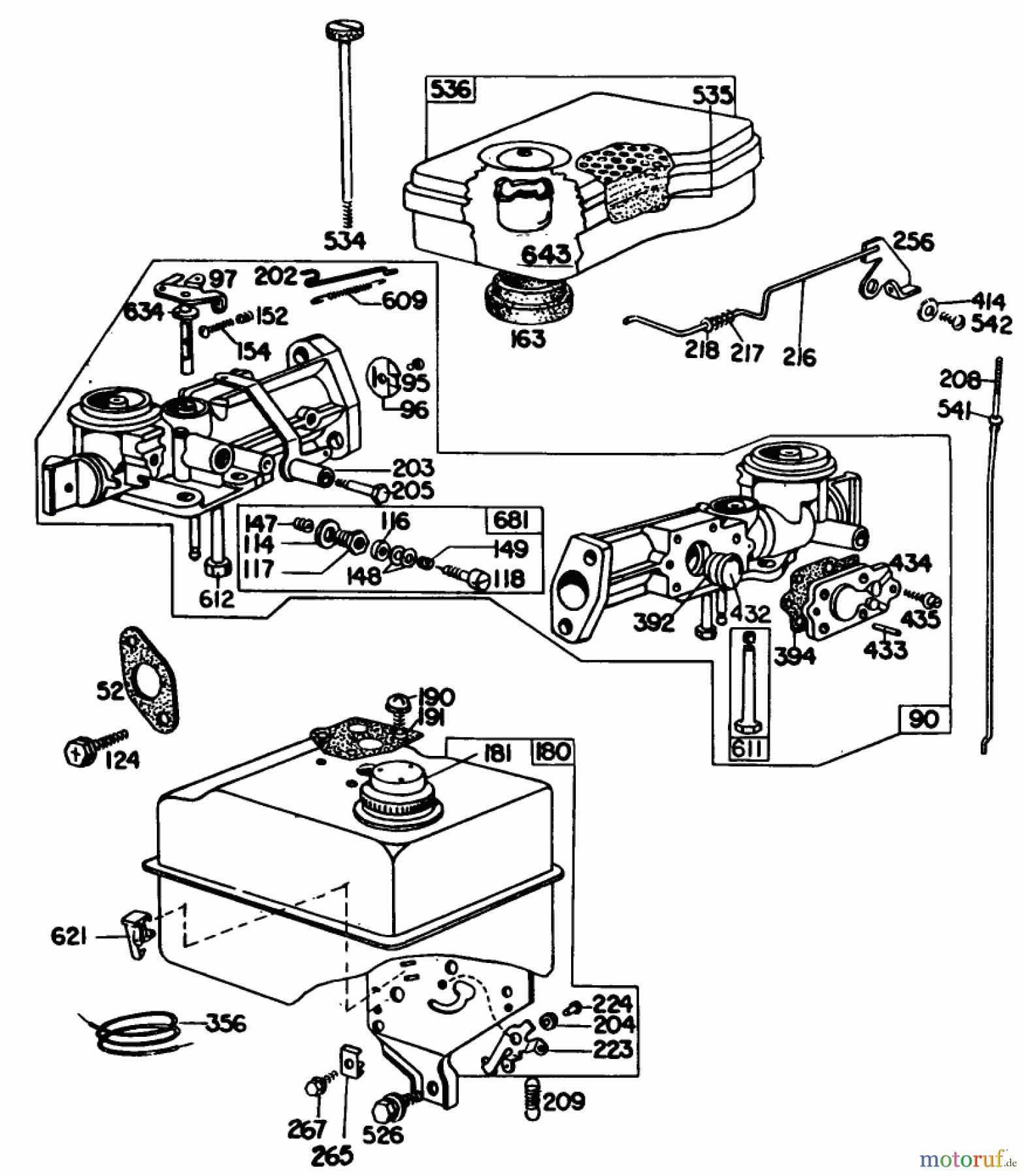
CARBURETOR ASSEMBLY 62933 - Toro 5 hp Lawn Blower, 1980 (0000001-0999999)

 Toro Neu Blowers/Vacuums/Chippers/Shredders 62933 - Toro 5 hp Lawn Blower, 1980 (0000001-0999999) CARBURETOR ASSEMBLY

Hier finden Sie die Ersatzteilzeichnung für Toro Neu Blowers/Vacuums/Chippers/Shredders 62933 - Toro 5 hp Lawn Blower, 1980 (0000001-0999999) CARBURETOR ASSEMBLY. Wählen Sie das benötigte Ersatzteil aus der Ersatzteilliste Ihres Toro Gerätes aus und bestellen Sie einfach online. Viele Toro Ersatzteile halten wir ständig in unserem Lager für Sie bereit.

Rasen
Bankeinzug, MasterCard, Visa, American Express, PayPal, Nachnahme, Vorauskasse, Sofortüberweisung
Datenschutzerklärung Impressum