Toro 62923 - 5 hp Lawn Vacuum, 1986 (6000001-6999999) ENGINE BRIGGS & STRATTON MODEL NO. 130202-1640-01 #1 Ersatzteile
ENGINE BRIGGS & STRATTON MODEL NO. 130202-1640-01 #1 62923 - Toro 5 hp Lawn Vacuum, 1986 (6000001-6999999)

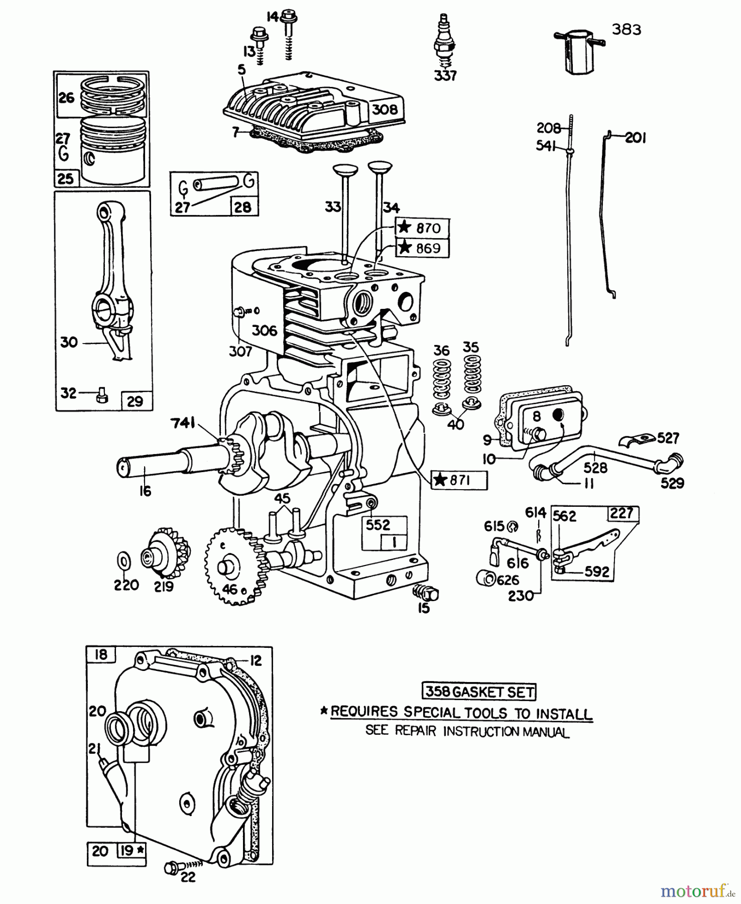
Hier finden Sie die Ersatzteilzeichnung für Toro Neu Blowers/Vacuums/Chippers/Shredders 62923 - Toro 5 hp Lawn Vacuum, 1986 (6000001-6999999) ENGINE BRIGGS & STRATTON MODEL NO. 130202-1640-01 #1. Wählen Sie das benötigte Ersatzteil aus der Ersatzteilliste Ihres Toro Gerätes aus und bestellen Sie einfach online. Viele Toro Ersatzteile halten wir ständig in unserem Lager für Sie bereit.





