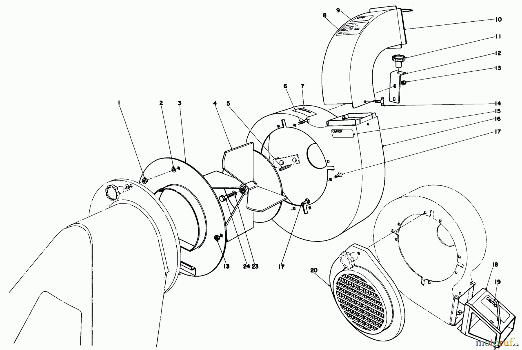
Toro 62923 - 5 hp Lawn Vacuum, 1984 (4000001-4999999) BLOWER ASSEMBLY (MODEL 62912 & 62923) Ersatzteile
BLOWER ASSEMBLY (MODEL 62912 & 62923) 62923 - Toro 5 hp Lawn Vacuum, 1984 (4000001-4999999)

Hier finden Sie die Ersatzteilzeichnung für Toro Neu Blowers/Vacuums/Chippers/Shredders 62923 - Toro 5 hp Lawn Vacuum, 1984 (4000001-4999999) BLOWER ASSEMBLY (MODEL 62912 & 62923). Wählen Sie das benötigte Ersatzteil aus der Ersatzteilliste Ihres Toro Gerätes aus und bestellen Sie einfach online. Viele Toro Ersatzteile halten wir ständig in unserem Lager für Sie bereit.



