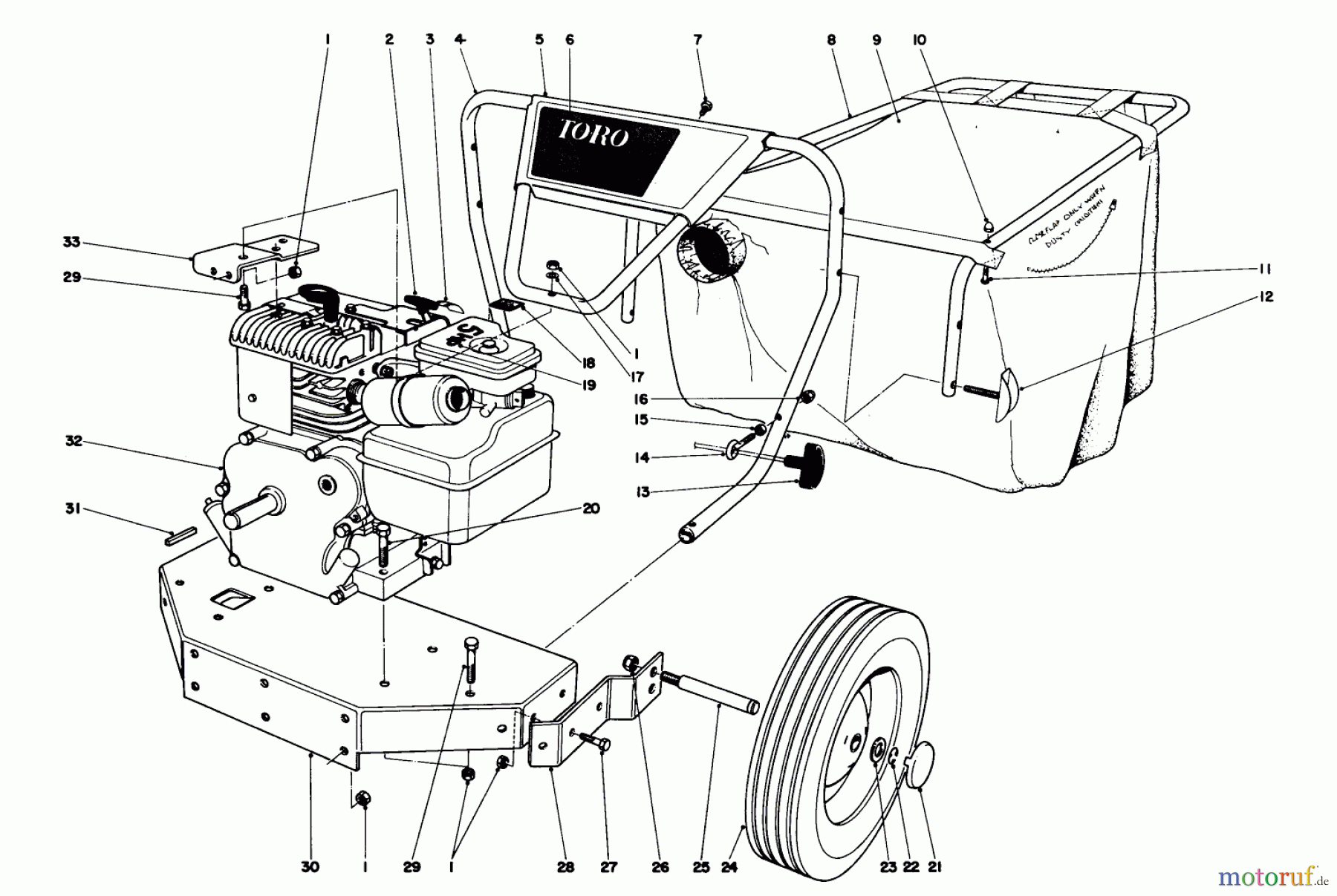
Toro 62900 - 5 hp Lawn Vacuum, 1973 (3000001-3999999) ENGINE AND HOPPER ASSEMBLY Ersatzteile
ENGINE AND HOPPER ASSEMBLY 62900 - Toro 5 hp Lawn Vacuum, 1973 (3000001-3999999)

Hier finden Sie die Ersatzteilzeichnung für Toro Neu Blowers/Vacuums/Chippers/Shredders 62900 - Toro 5 hp Lawn Vacuum, 1973 (3000001-3999999) ENGINE AND HOPPER ASSEMBLY. Wählen Sie das benötigte Ersatzteil aus der Ersatzteilliste Ihres Toro Gerätes aus und bestellen Sie einfach online. Viele Toro Ersatzteile halten wir ständig in unserem Lager für Sie bereit.
| BildNr | Artikel Nummer | Bezeichnung | |
| 1 | ![]() | TR32153-3 | Mutter |
| 2 | TR19-0170 | ||
| 3 | TR19-1070 | ||
| 4 | TR19-0120 | ||
| 5 | TR19-0140 | LENKBUEGELSTUETZE | |
| 6 | TR19-0150 | ||
| 7 | TR321-2 | Schraube | |
| 8 | TR19-0160 | ||
| 9 | TR5-9119 | DISCONTINUED | |
| 10 | TR19-1010 | ||
| 11 | TR19-1000 | ||
| 12 | TR19-0960 | ||
| 13 | TR | ||
| 14 | TR19-0950 | ||
| 15 | ![]() | TR3296-42 | Mutter |
| 16 | TR32111-7 | Mutter | |
| 17 | TR3253-3 | Federring | |
| 18 | TR19-1060 | ||
| 19 | TR19-1020 | SCHILD | |
| 20 | TR322-17 | SCREW-HH | |
| 21 | TR19-0090 | ||
| 22 | TR19-0940 | DISCONTINUED | |
| 23 | TR19-0930 | ||
| 24 | TR19-0080 | ||
| 25 | TR19-0070 | ||
| 26 | TR3296-28 | Stopmutter | |
| 27 | TR322-2 | Schraube | |
| 28 | TR19-0060 | ||
| 29 | TR322-6 | Schraube | |
| 30 | TR19-0100 | MOTORKONSOLE | |
| 31 | TR5-1865 | Keil | |
| 32 | TR19-0420 | ||
| 33 | TR19-0190 | ||
| TR19-1190 | |||


Qualitätsmanagement
Informieren Sie uns, wenn Sie einen Fehler gefunden haben.



