Toro 62835 - Shredder, 1972 (2000001-2999999) CARBURETOR AIR CLEANER & GAS TANK ASSEMBLY Ersatzteile
CARBURETOR AIR CLEANER & GAS TANK ASSEMBLY 62835 - Toro Shredder, 1972 (2000001-2999999)

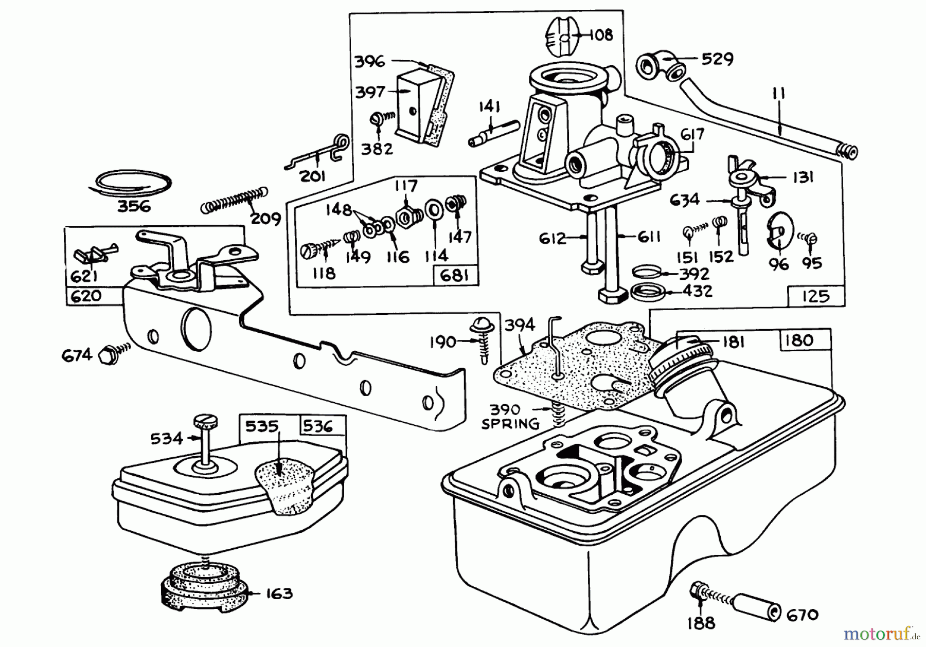
Hier finden Sie die Ersatzteilzeichnung für Toro Neu Blowers/Vacuums/Chippers/Shredders 62835 - Toro Shredder, 1972 (2000001-2999999) CARBURETOR AIR CLEANER & GAS TANK ASSEMBLY. Wählen Sie das benötigte Ersatzteil aus der Ersatzteilliste Ihres Toro Gerätes aus und bestellen Sie einfach online. Viele Toro Ersatzteile halten wir ständig in unserem Lager für Sie bereit.
| BildNr | Artikel Nummer | Bezeichnung | |
| 11 | BS230802 | ENTLUEFTERROHR | |
| 95 | BS691437 | SCHRAUBE 90029 | |
| 96 | BS211237 | DROSSELKLAPPE | |
| 108 | BS280024 | STARTERKLAPPE | |
| 114 | BS691608 | SCHEIBE | |
| 116 | BS691606 | O-RING | |
| 117 | BS690504 | MUTTER | |
| 118 | BS690266 | SCHRAUBE 23228 | |
| 125 | BS390065 | VERWEIS-NR. 395957 | |
| 131 | BS299977 | GESTAENGE | |
| 141 | BS68908 | STARTERKLAPPENWELLE | |
| 147 | BS692134 | VENTILSITZ | |
| 148 | BS690257 | UNTERLEGSCHEIBE | |
| 149 | BS691592 | FEDER | |
| 151 | BS93524 | SCHRAUBE 93392 | |
| 152 | BS260575 | VERWEIS ZU | |
| 163 | BS270621 | DICHTUNG 270228 | |
| 180 | TR299972 | ||
| 181 | BS493982 | VERWEIS ZU | |
| 188 | BS691625 | VERWEIS ZU | |
| 190 | BS94712 | ||
| 201 | BS260878 | GESTAENGE | |
| 209 | BS260877 | FEDER | |
| 356 | TR98479 | ||
| 382 | BS93545 | SCHRAUBE | |
| 390 | BS261015 | ||
| 392 | BS692206 | Feder f. Benzinpumpe | |
| 394 | TR299636 | ||
| 396 | BS270571 | DICHTUNG | |
| 397 | BS211678 | PLATTE | |
| 432 | BS690766 | FEDERTELLER | |
| 529 | ![]() | BS692189 | KNIESTUECK |
| 534 | BS93374 | SCHRAUBE | |
| 535 | BS270579S | FILTEREINSATZ | |
| 536 | BS390055 | LUFTFILTER 298566 | |
| 611 | BS297219S | BENZINLEITUNG | |
| 612 | BS497413 | VERWEIS ZU | |
| 617 | BS270344S | O-RING | |
| 620 | BS299974 | PLATTE | |
| 621 | BS297472S | AUSSCHALTER | |
| 634 | TR770167 | ||
| 670 | TR93447 | ||
| 674 | TR21-1740 | HALTEARM | |
| 681 | BS299060 | NADELVENTILSATZ | |




