Toro 51570 - Yard Blower Vac, 1989 (9000001-9999999) BLOWER ASSEMBLY Ersatzteile
BLOWER ASSEMBLY 51570 - Toro Yard Blower Vac, 1989 (9000001-9999999)

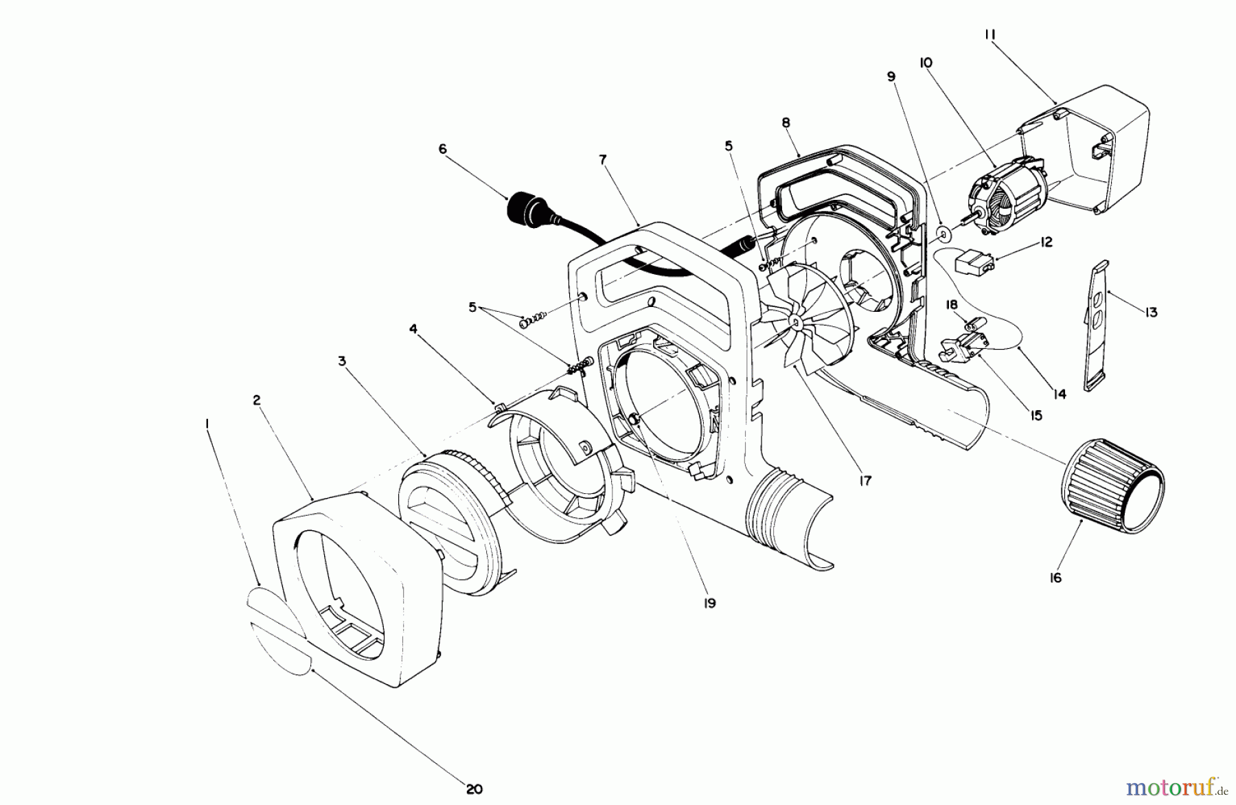
Hier finden Sie die Ersatzteilzeichnung für Toro Neu Blowers/Vacuums/Chippers/Shredders 51570 - Toro Yard Blower Vac, 1989 (9000001-9999999) BLOWER ASSEMBLY. Wählen Sie das benötigte Ersatzteil aus der Ersatzteilliste Ihres Toro Gerätes aus und bestellen Sie einfach online. Viele Toro Ersatzteile halten wir ständig in unserem Lager für Sie bereit.


Qualitätsmanagement
Informieren Sie uns, wenn Sie einen Fehler gefunden haben.

