Toro 30930 - 21cc Hand Held Blower, 1980 (0000001-0999999) ENGINE ASSEMBLY Ersatzteile
ENGINE ASSEMBLY 30930 - Toro 21cc Hand Held Blower, 1980 (0000001-0999999)

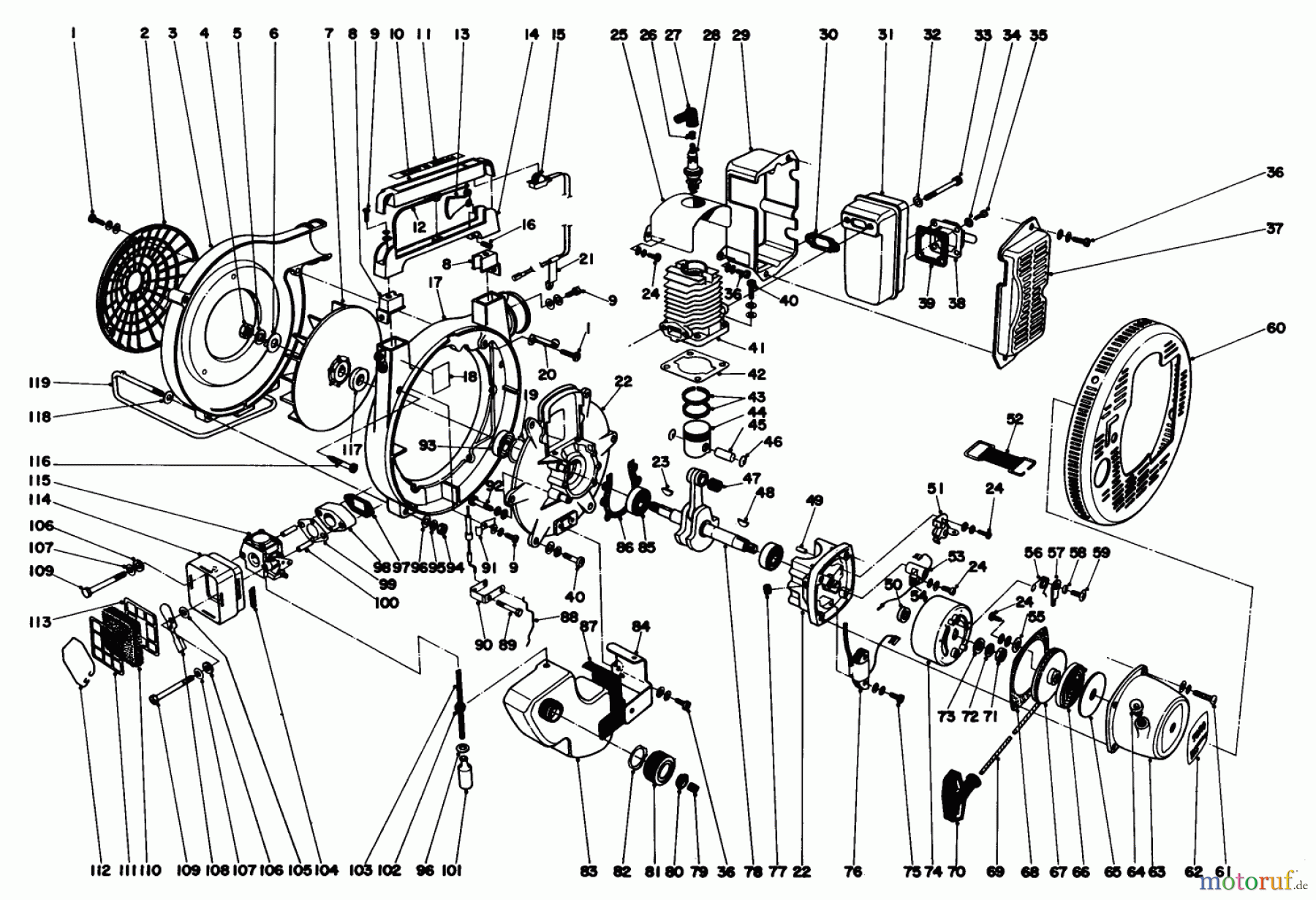
Hier finden Sie die Ersatzteilzeichnung für Toro Neu Blowers/Vacuums/Chippers/Shredders 30930 - Toro 21cc Hand Held Blower, 1980 (0000001-0999999) ENGINE ASSEMBLY. Wählen Sie das benötigte Ersatzteil aus der Ersatzteilliste Ihres Toro Gerätes aus und bestellen Sie einfach online. Viele Toro Ersatzteile halten wir ständig in unserem Lager für Sie bereit.




