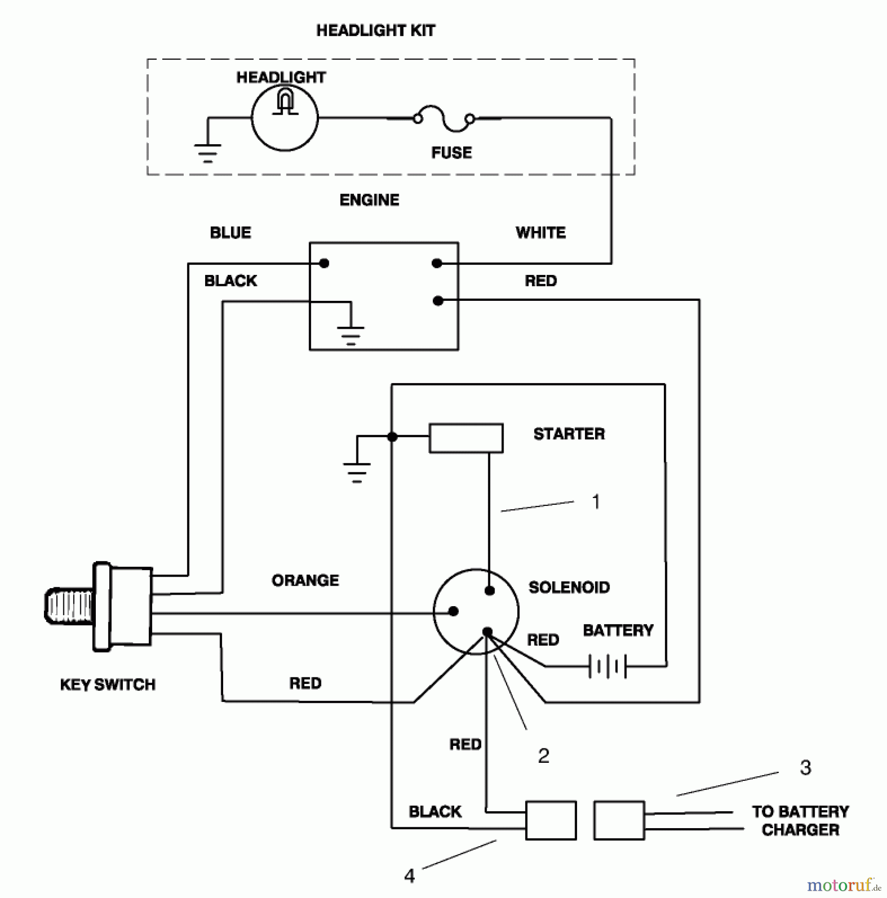
Toro 93-8040 - Electric Start Kit, 12 VDC, Tecumseh Power Shift Snowthrower ELECTRIC SCHEMATIC Ersatzteile
ELECTRIC SCHEMATIC 93-8040 - Toro Electric Start Kit, 12 VDC, Tecumseh Power Shift Snowthrower

Hier finden Sie die Ersatzteilzeichnung für Toro Neu Accessories, Snow 93-8040 - Toro Electric Start Kit, 12 VDC, Tecumseh Power Shift Snowthrower ELECTRIC SCHEMATIC. Wählen Sie das benötigte Ersatzteil aus der Ersatzteilliste Ihres Toro Gerätes aus und bestellen Sie einfach online. Viele Toro Ersatzteile halten wir ständig in unserem Lager für Sie bereit.
| BildNr | Artikel Nummer | Bezeichnung | |
| 1 | TR94-2777 | WIRE-GROUND | |
| 2 | TR218-575 | DISCONTINUED | |
| 3 | TR29-7820 | DISCONTINUED | |
| 4 | TR29-7830 | Kabel | |


