Zerto-Turn Mäher 74418 (Z400) - Toro Z Master Mower, 48" 7-Gauge Side Discharge Deck (SN: 270001001 - 270002000) (2007) Ersatzteile
74418 (Z400) - Toro Z Master Mower, 48" 7-Gauge Side Discharge Deck (SN: 270001001 - 270002000) (2007) Zerto-Turn Mäher
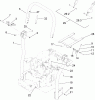
Hier finden Sie die Ersatzteilzeichnung für Zerto-Turn Mäher 74418 (Z400) - Toro Z Master Mower, 48" 7-Gauge Side Discharge Deck (SN: 270001001 - 270002000) (2007). Wählen Sie das benötigte Ersatzteil aus der Ersatzteilliste Ihres Zerto-Turn Mäher Gerätes aus und bestellen Sie einfach online. Viele Zerto-Turn Mäher Ersatzteile halten wir ständig in unserem Lager für Sie bereit.


Qualitätsmanagement
Informieren Sie uns, wenn Sie einen Fehler gefunden haben.

































