Zerto-Turn Mäher INLET AND EXHAUST MANIFOLD ASSEMBLY Ersatzteile
INLET AND EXHAUST MANIFOLD ASSEMBLY 74279TE (Z580-D) - Toro Z Master Mower, 52 Rear Discharge Deck (SN: 280000001 - 280999999) (2008)

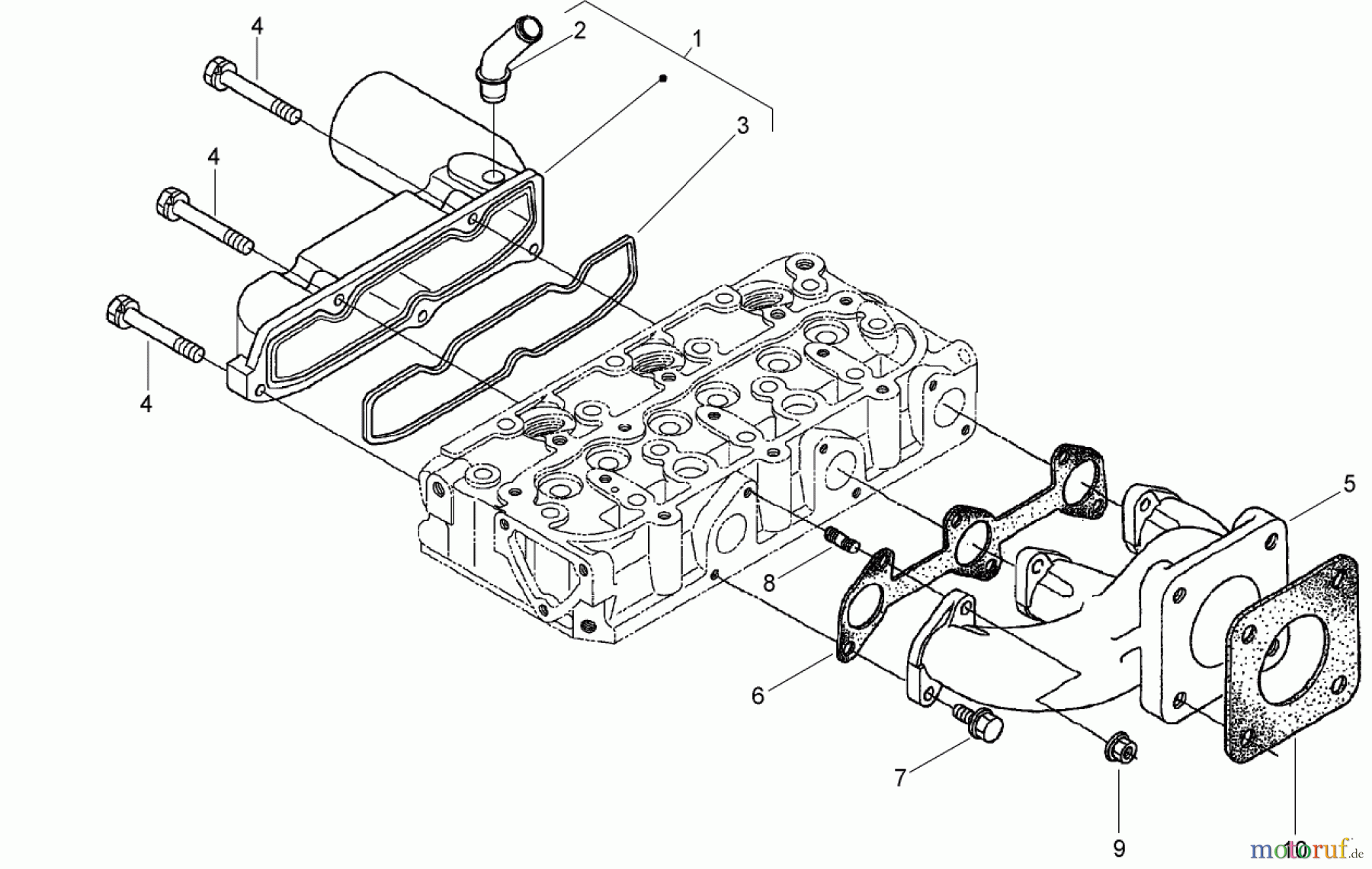
Hier finden Sie die Ersatzteilzeichnung für Zerto-Turn Mäher 74279TE (Z580-D) - Toro Z Master Mower, 52 Rear Discharge Deck (SN: 280000001 - 280999999) (2008) INLET AND EXHAUST MANIFOLD ASSEMBLY. Wählen Sie das benötigte Ersatzteil aus der Ersatzteilliste Ihres Zerto-Turn Mäher Gerätes aus und bestellen Sie einfach online. Viele Zerto-Turn Mäher Ersatzteile halten wir ständig in unserem Lager für Sie bereit.



