Zerto-Turn Mäher CRANKCASE ASSEMBLY Ersatzteile
CRANKCASE ASSEMBLY 74267CP (Z580-D) - Toro Z Master Mower, 60" TURBO FORCE Side Discharge Deck (SN: 280000001 - 280999999) (2008)

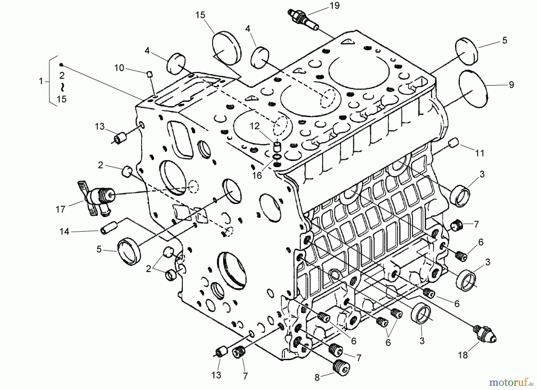
Hier finden Sie die Ersatzteilzeichnung für Zerto-Turn Mäher 74267CP (Z580-D) - Toro Z Master Mower, 60" TURBO FORCE Side Discharge Deck (SN: 280000001 - 280999999) (2008) CRANKCASE ASSEMBLY. Wählen Sie das benötigte Ersatzteil aus der Ersatzteilliste Ihres Zerto-Turn Mäher Gerätes aus und bestellen Sie einfach online. Viele Zerto-Turn Mäher Ersatzteile halten wir ständig in unserem Lager für Sie bereit.


Qualitätsmanagement
Informieren Sie uns, wenn Sie einen Fehler gefunden haben.

