Rasen- und Garten Traktoren DIFFERENTIAL ASSEMBLY Ersatzteile
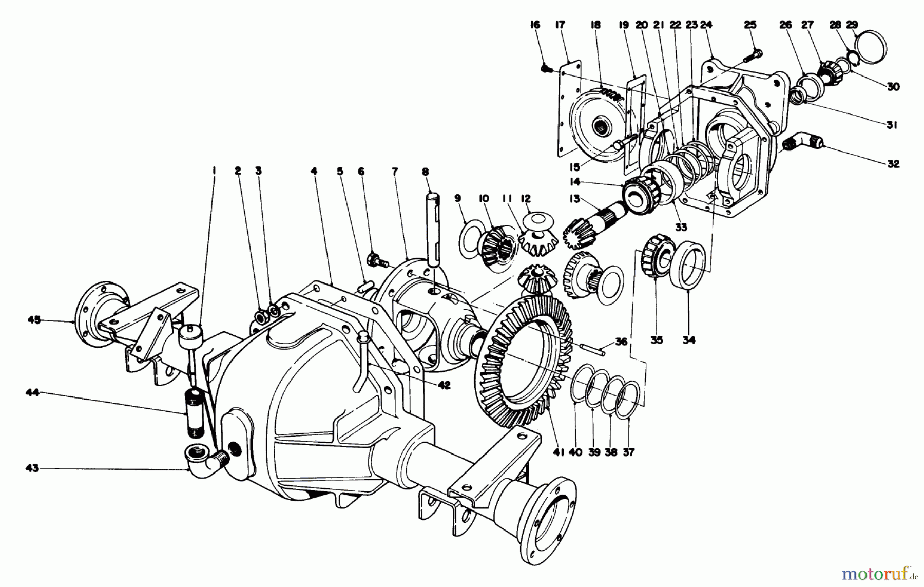
DIFFERENTIAL ASSEMBLY 30775 - Toro Groundsmaster 52 (SN: 100001 - 199999) (1981)

Hier finden Sie die Ersatzteilzeichnung für Rasen- und Garten Traktoren 30775 - Toro Groundsmaster 52 (SN: 100001 - 199999) (1981) DIFFERENTIAL ASSEMBLY. Wählen Sie das benötigte Ersatzteil aus der Ersatzteilliste Ihres Rasen- und Garten Traktoren Gerätes aus und bestellen Sie einfach online. Viele Rasen- und Garten Traktoren Ersatzteile halten wir ständig in unserem Lager für Sie bereit.


