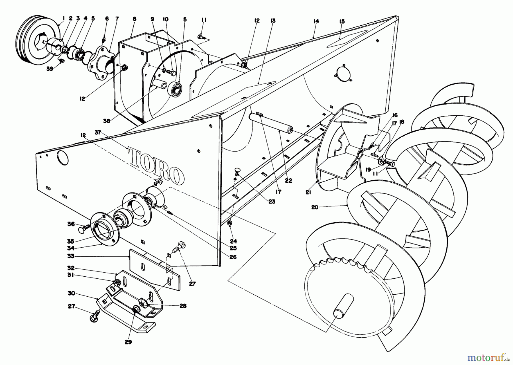
Mähdecks 48" SNOWTHROWER MODEL NO. 30570 (OPTIONAL) #1 Ersatzteile
48" SNOWTHROWER MODEL NO. 30570 (OPTIONAL) #1 30721 - Toro 72" Side Discharge Mower (SN: 000001 - 099999) (1980)

Hier finden Sie die Ersatzteilzeichnung für Mähdecks 30721 - Toro 72" Side Discharge Mower (SN: 000001 - 099999) (1980) 48" SNOWTHROWER MODEL NO. 30570 (OPTIONAL) #1. Wählen Sie das benötigte Ersatzteil aus der Ersatzteilliste Ihres Mähdecks Gerätes aus und bestellen Sie einfach online. Viele Mähdecks Ersatzteile halten wir ständig in unserem Lager für Sie bereit.





