Compact Utility Loaders CYLINDER HEAD ASSEMBLY Ersatzteile
CYLINDER HEAD ASSEMBLY 22303 - Toro Dingo 320-D Traction Unit (SN: 200000501 - 200999999) (2000)

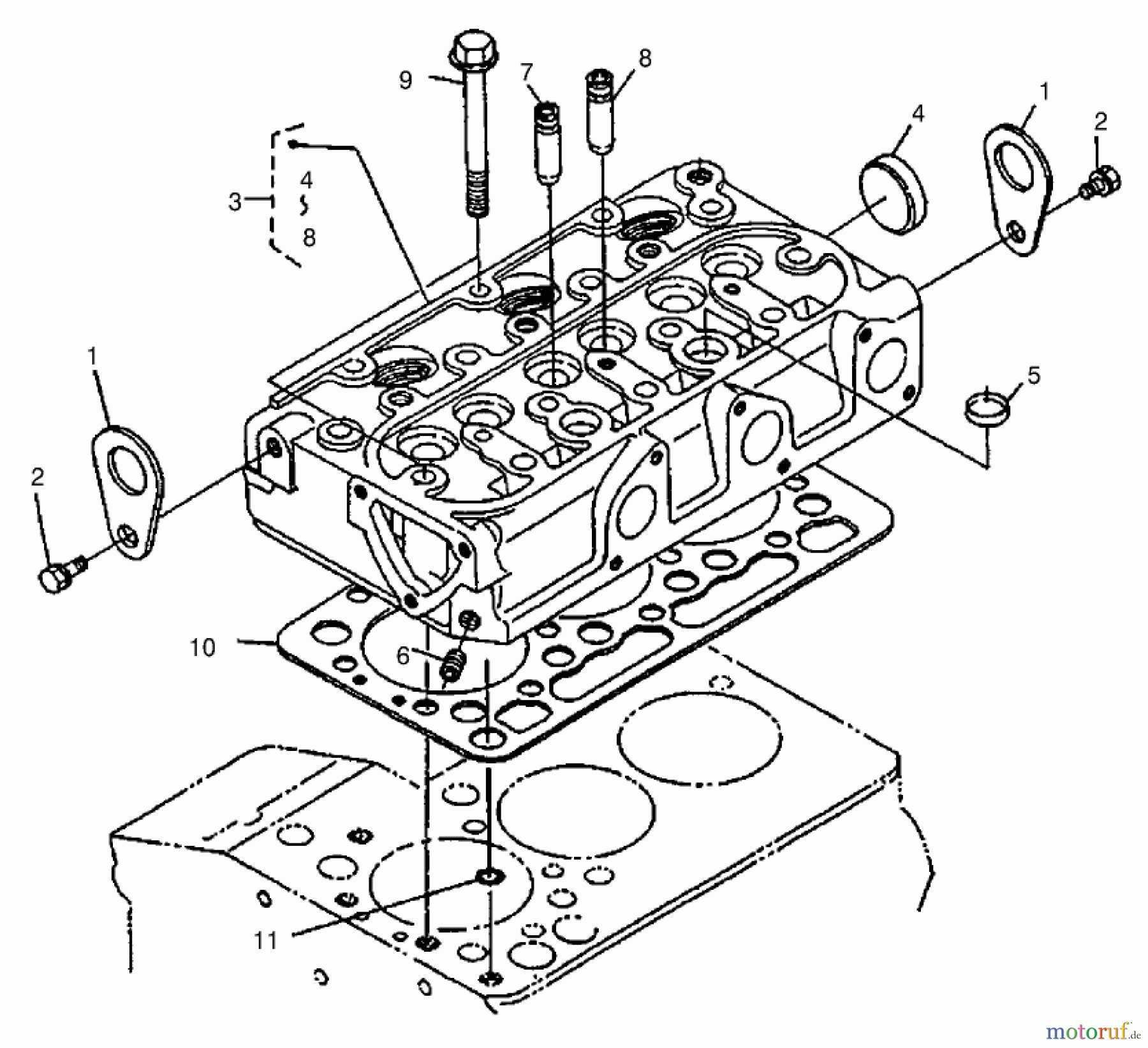
Hier finden Sie die Ersatzteilzeichnung für Compact Utility Loaders 22303 - Toro Dingo 320-D Traction Unit (SN: 200000501 - 200999999) (2000) CYLINDER HEAD ASSEMBLY. Wählen Sie das benötigte Ersatzteil aus der Ersatzteilliste Ihres Compact Utility Loaders Gerätes aus und bestellen Sie einfach online. Viele Compact Utility Loaders Ersatzteile halten wir ständig in unserem Lager für Sie bereit.



