Compact Utility Loaders GOVERNOR ASSEMBLY Ersatzteile
GOVERNOR ASSEMBLY 22303 - Toro Dingo 320-D Compact Utility Loader (SN: 210000001 - 210999999) (2001)

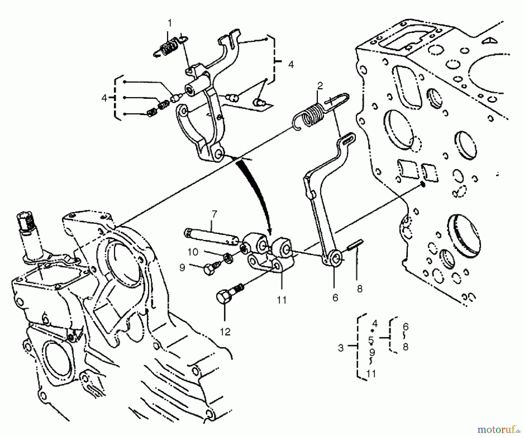
Hier finden Sie die Ersatzteilzeichnung für Compact Utility Loaders 22303 - Toro Dingo 320-D Compact Utility Loader (SN: 210000001 - 210999999) (2001) GOVERNOR ASSEMBLY. Wählen Sie das benötigte Ersatzteil aus der Ersatzteilliste Ihres Compact Utility Loaders Gerätes aus und bestellen Sie einfach online. Viele Compact Utility Loaders Ersatzteile halten wir ständig in unserem Lager für Sie bereit.


Qualitätsmanagement
Informieren Sie uns, wenn Sie einen Fehler gefunden haben.

