Zubehör ENGINE MOUNTING ONLY MACHINES WITH SERIAL NUMBERS DD20240L0170 AND LATER Ersatzteile
ENGINE MOUNTING ONLY MACHINES WITH SERIAL NUMBERS DD20240L0170 AND LATER DD2024C - Toro EarthPro Directional Drill Tier 4i (2013)

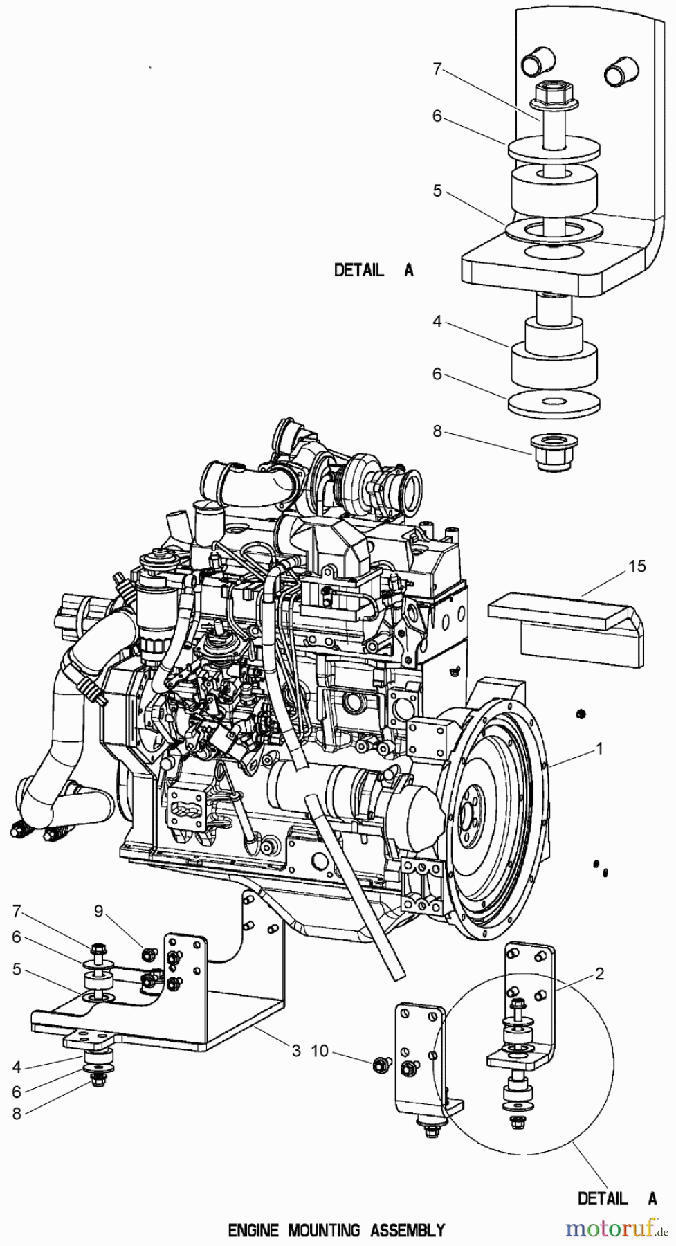
Hier finden Sie die Ersatzteilzeichnung für Zubehör DD2024C - Toro EarthPro Directional Drill Tier 4i (2013) ENGINE MOUNTING ONLY MACHINES WITH SERIAL NUMBERS DD20240L0170 AND LATER. Wählen Sie das benötigte Ersatzteil aus der Ersatzteilliste Ihres Zubehör Gerätes aus und bestellen Sie einfach online. Viele Zubehör Ersatzteile halten wir ständig in unserem Lager für Sie bereit.
| BildNr | Artikel Nummer | Bezeichnung | |
| 0 | TRAU129600 | ||
| 1 | TRAU129164 | ||
| 2 | TRAU12GB3114 | ||
| 3 | TRAU114801 | ||
| 4 | TRAU8NG28121 | ||
| 5 | TRAU113262 | ||
| 6 | TRAU496-81018 | ||
| 7 | TRAU100353 | ||
| 8 | TRAU100528 | ||
| 9 | TRAU100876 | ||
| 10 | TRAU101477 | ||
| 15 | TRAU122242 | ||


Qualitätsmanagement
Informieren Sie uns, wenn Sie einen Fehler gefunden haben.

