Einstellungen Computer

Tanaka TCP-381 - Centrifugal Pump Carburetor Ersatzteile

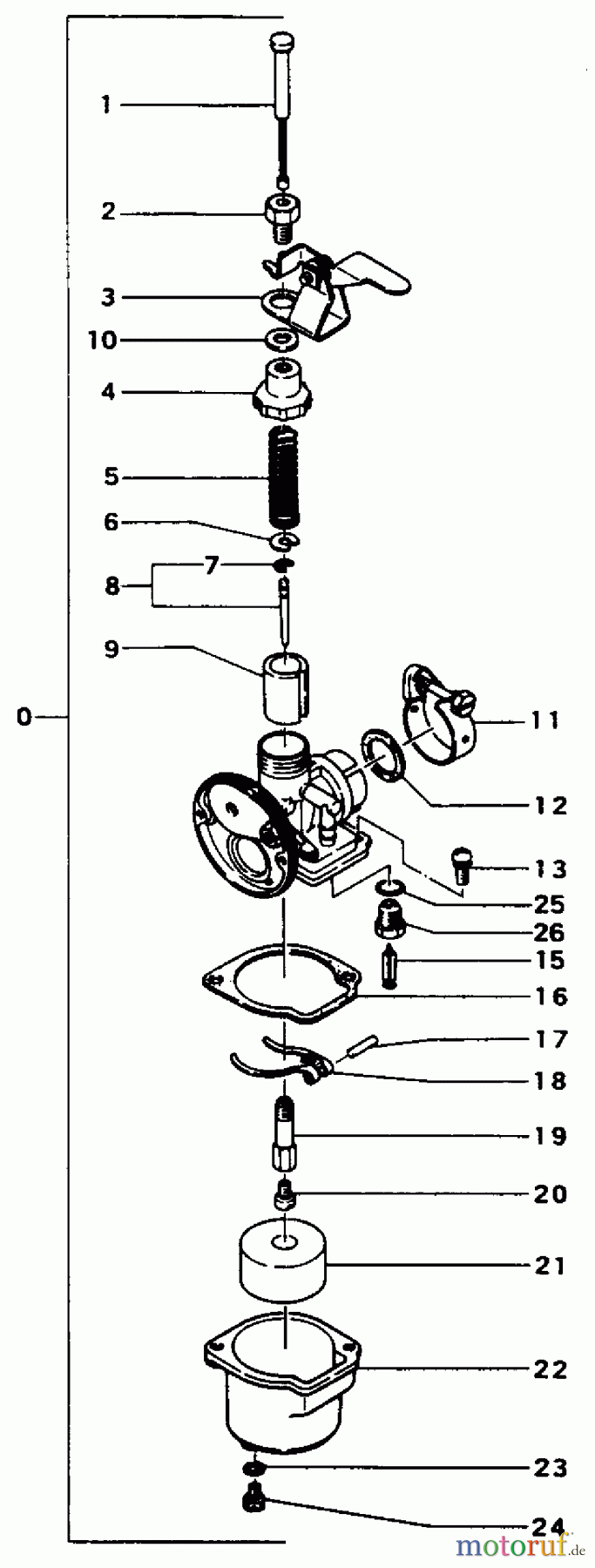
Carburetor TCP-381 - Tanaka Centrifugal Pump

 Tanaka Wasser Pumpen TCP-381 - Tanaka Centrifugal Pump Carburetor

Hier finden Sie die Ersatzteilzeichnung für Tanaka Wasser Pumpen TCP-381 - Tanaka Centrifugal Pump Carburetor. Wählen Sie das benötigte Ersatzteil aus der Ersatzteilliste Ihres Tanaka Gerätes aus und bestellen Sie einfach online. Viele Tanaka Ersatzteile halten wir ständig in unserem Lager für Sie bereit.

Rasen
Bankeinzug, MasterCard, Visa, American Express, PayPal, Nachnahme, Vorauskasse, Sofortüberweisung
Datenschutzerklärung Impressum