Tanaka TBC-373 - Brush Cutter Magneto Ersatzteile
Magneto TBC-373 - Tanaka Brush Cutter

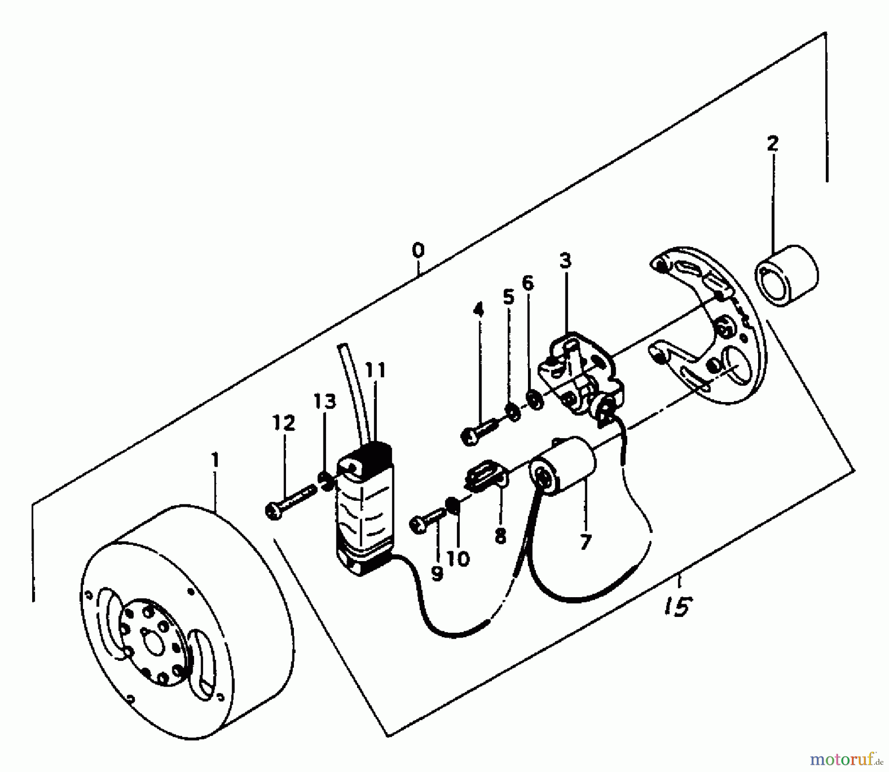
Hier finden Sie die Ersatzteilzeichnung für Tanaka Trimmer, Motorsensen TBC-373 - Tanaka Brush Cutter Magneto. Wählen Sie das benötigte Ersatzteil aus der Ersatzteilliste Ihres Tanaka Gerätes aus und bestellen Sie einfach online. Viele Tanaka Ersatzteile halten wir ständig in unserem Lager für Sie bereit.
| BildNr | Artikel Nummer | Bezeichnung | |
| 0 | 15020102900 | ||
| 1 | 15520001800 | ||
| 2 | 24620102200 | ||
| 3 | 16020001900 | ||
| 4 | 669-4863 | Schraube .4x10 | |
| 5 | 669-5211 | Scheibe siehe TB | |
| 6 | 668-5070 | Scheibe s.TB. | |
| 7 | 17720001800 | ||
| 8 | 18520001800 | ||
| 9 | 990-11040-101 | Schraube .4x10 | |
| 10 | 992-01040-011 | Scheibe s.TB. | |
| 11 | 16720001800 | ||
| 11 | 16720102800 | ||
| 12 | 99011040281 | ||
| 13 | 992-10040-012 | Scheibe siehe TB | |
| 15 | 15620102900 | ||



