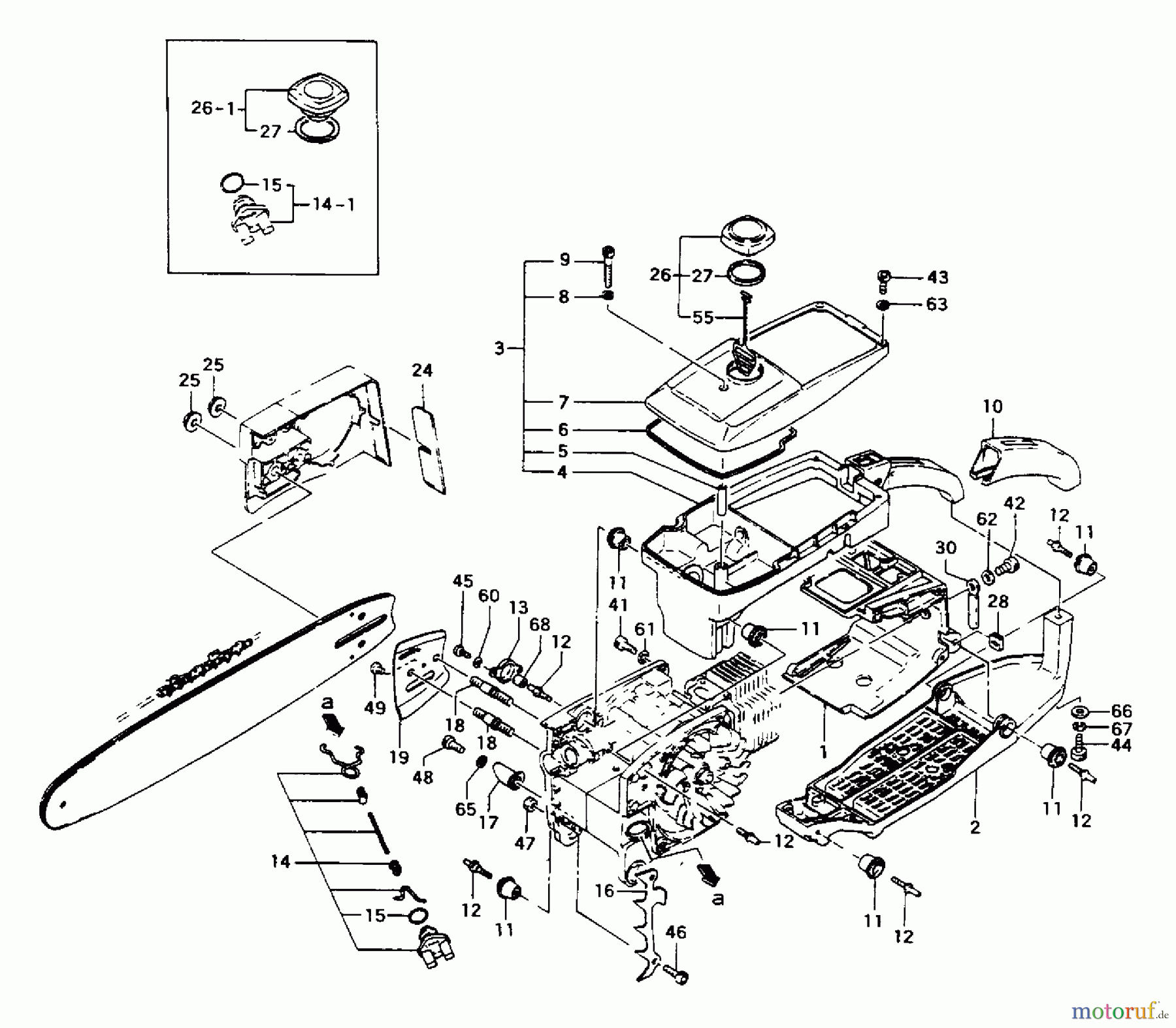
Tanaka ECS-506 - Chainsaw Rear Handle Ersatzteile
Rear Handle ECS-506 - Tanaka Chainsaw

Hier finden Sie die Ersatzteilzeichnung für Tanaka Motorsägen ECS-506 - Tanaka Chainsaw Rear Handle. Wählen Sie das benötigte Ersatzteil aus der Ersatzteilliste Ihres Tanaka Gerätes aus und bestellen Sie einfach online. Viele Tanaka Ersatzteile halten wir ständig in unserem Lager für Sie bereit.





