Tanaka QEG-250 - Portable Generator Electro-Magnetic Governor Ersatzteile
Electro-Magnetic Governor QEG-250 - Tanaka Portable Generator

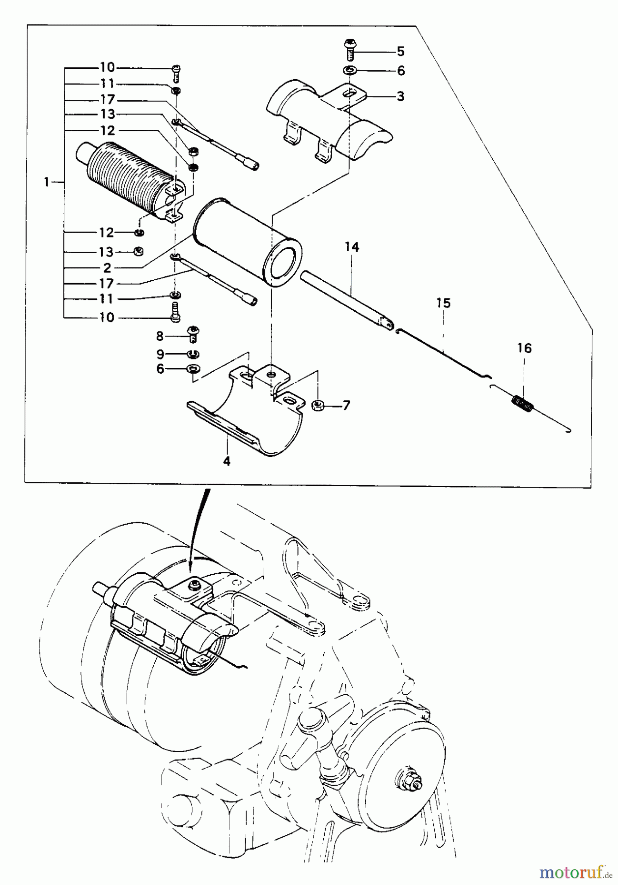
Hier finden Sie die Ersatzteilzeichnung für Tanaka Stromerzeuger QEG-250 - Tanaka Portable Generator Electro-Magnetic Governor. Wählen Sie das benötigte Ersatzteil aus der Ersatzteilliste Ihres Tanaka Gerätes aus und bestellen Sie einfach online. Viele Tanaka Ersatzteile halten wir ständig in unserem Lager für Sie bereit.



