Tanaka TOB-120 - 1.2HP Outboard Motor Engine Cover, Muffler, Starter, Fuel System Ersatzteile
Engine Cover, Muffler, Starter, Fuel System TOB-120 - Tanaka 1.2HP Outboard Motor

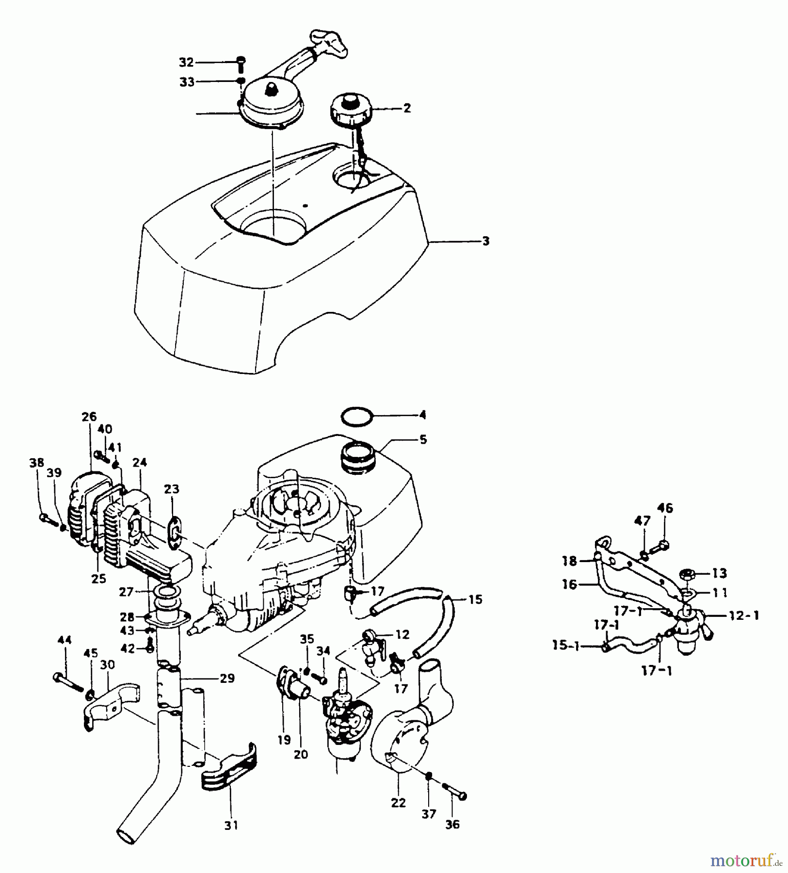
Hier finden Sie die Ersatzteilzeichnung für Tanaka Botsmotoren TOB-120 - Tanaka 1.2HP Outboard Motor Engine Cover, Muffler, Starter, Fuel System. Wählen Sie das benötigte Ersatzteil aus der Ersatzteilliste Ihres Tanaka Gerätes aus und bestellen Sie einfach online. Viele Tanaka Ersatzteile halten wir ständig in unserem Lager für Sie bereit.
| BildNr | Artikel Nummer | Bezeichnung | |
| 2 | 6691790 | ||
| 3 | 30035100200 | ||
| 4 | 60035100203 | ||
| 5 | 6689822 | ||
| 11 | 66200517203 | ||
| 12-1 | 59200517901 | ||
| 12 | 6691651 | ||
| 13 | 59400517200 | ||
| 15-1 | 6692383 | ||
| 15 | 6692368 | ||
| 16 | 70014508100 | ||
| 17-1 | 669-2309 | Clip . | |
| 17 | 6800061B201 | ||
| 18 | 70100517200 | ||
| 19 | 668-9853 | Dichtung . | |
| 20 | 668-9791 | Stutzen . | |
| 20 | 39300004201 | ||
| 22 | 6690011 | ||
| 23 | 669-2724 | Auspuffdichtung . | |
| 23 | 6692725 | ||
| 24 | 6692603 | ||
| 25 | 73700517202 | ||
| 26 | 6692616 | ||
| 27 | 6688148 | ||
| 28 | 6688207 | ||
| 29 | 22035100203 | ||
| 30 | 6688193 | ||
| 31 | 6688219 | ||
| 32 | 6694877 | ||
| 33 | 6695213 | ||
| 34 | 6694890 | ||
| 35 | 6695216 | ||
| 36 | 99011040252 | ||
| 37 | 99210040042 | ||
| 38 | 6694874 | ||
| 39 | 99210040042 | ||
| 40 | 669-4892 | Schraube 5x20 TBC250/300SDH,s. | |
| 41 | 992-10050-042 | ||
| 42 | 6694886 | ||
| 43 | 992-10050-042 | ||
| 44 | 6694937 | ||
| 45 | 669-5221 | Scheibe 6 | |
| 46 | 6694928 | ||
| 47 | 992-10060-042 | ||


