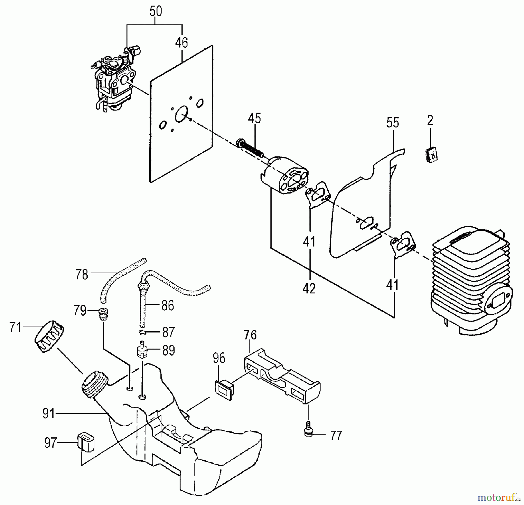
Tanaka TC-2501 - Utility / Scooter Engine Fuel System Ersatzteile
Fuel System TC-2501 - Tanaka Utility / Scooter Engine

Hier finden Sie die Ersatzteilzeichnung für Tanaka Motoren TC-2501 - Tanaka Utility / Scooter Engine Fuel System. Wählen Sie das benötigte Ersatzteil aus der Ersatzteilliste Ihres Tanaka Gerätes aus und bestellen Sie einfach online. Viele Tanaka Ersatzteile halten wir ständig in unserem Lager für Sie bereit.


Qualitätsmanagement
Informieren Sie uns, wenn Sie einen Fehler gefunden haben.






