Tanaka TED-262HS - High Speed Concrete Coring Drill Muffler, Cover, Flywheel, Clutch Ersatzteile
Muffler, Cover, Flywheel, Clutch TED-262HS - Tanaka High Speed Concrete Coring Drill

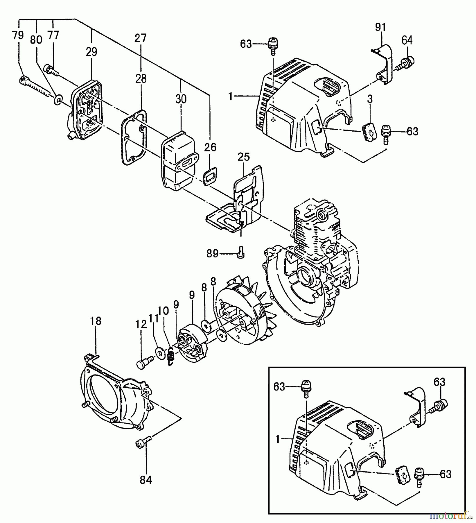
Hier finden Sie die Ersatzteilzeichnung für Tanaka Erdbohrer TED-262HS - Tanaka High Speed Concrete Coring Drill Muffler, Cover, Flywheel, Clutch. Wählen Sie das benötigte Ersatzteil aus der Ersatzteilliste Ihres Tanaka Gerätes aus und bestellen Sie einfach online. Viele Tanaka Ersatzteile halten wir ständig in unserem Lager für Sie bereit.




