Tanaka THB-2400 - Blower/Vac General Assembly Ersatzteile
General Assembly THB-2400 - Tanaka Blower/Vac

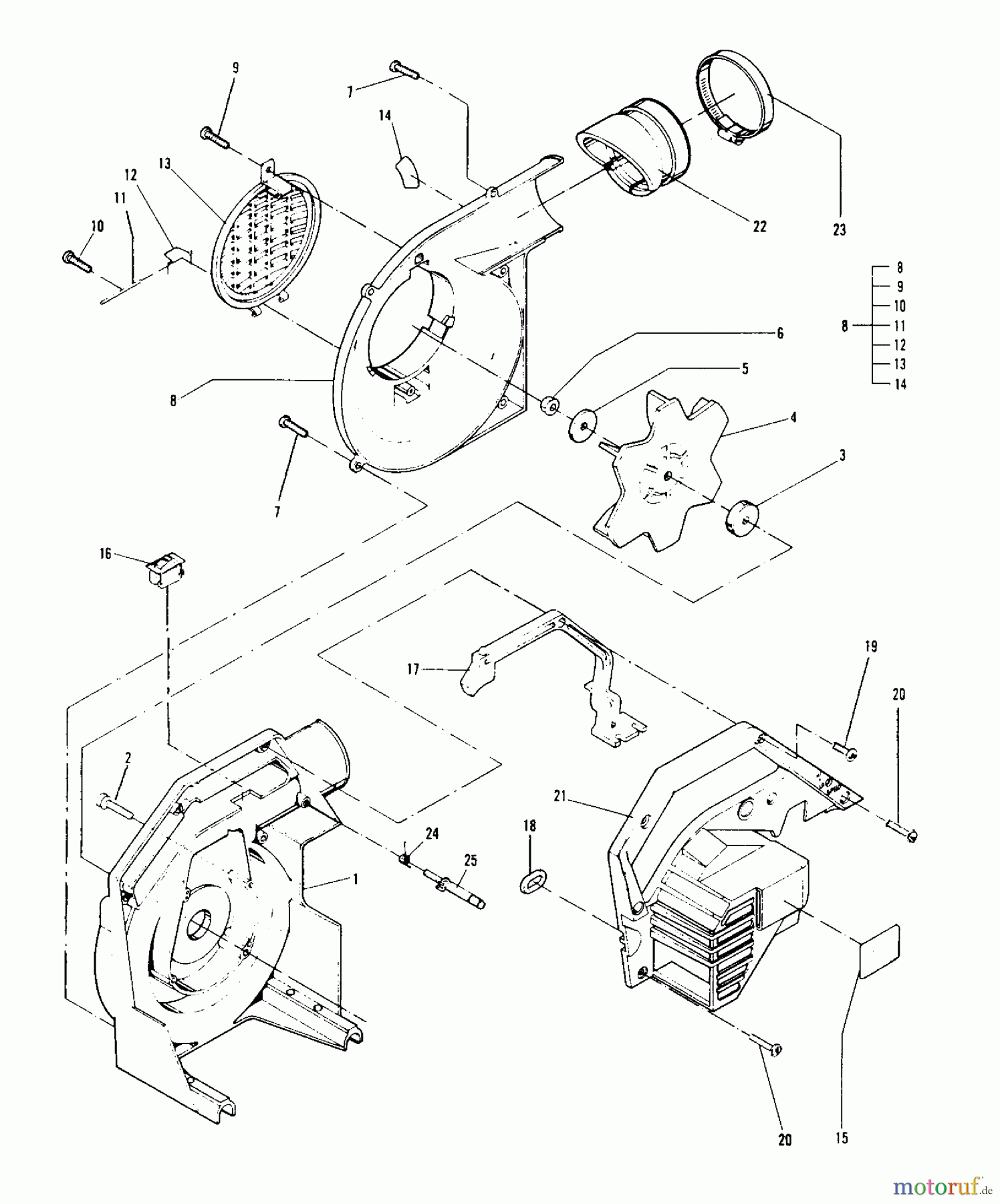
Hier finden Sie die Ersatzteilzeichnung für Tanaka Blasgeräte, Sauger, Häcksler, Mulchgeräte THB-2400 - Tanaka Blower/Vac General Assembly. Wählen Sie das benötigte Ersatzteil aus der Ersatzteilliste Ihres Tanaka Gerätes aus und bestellen Sie einfach online. Viele Tanaka Ersatzteile halten wir ständig in unserem Lager für Sie bereit.


Qualitätsmanagement
Informieren Sie uns, wenn Sie einen Fehler gefunden haben.

