Einstellungen Computer

Tanaka TBL-500 - Backpack Blower Engine / Cylinder, Piston, Crankshaft Ersatzteile

Engine / Cylinder, Piston, Crankshaft TBL-500 - Tanaka Backpack Blower

 Tanaka Blasgeräte, Sauger, Häcksler, Mulchgeräte TBL-500 - Tanaka Backpack Blower Engine / Cylinder, Piston, Crankshaft

Hier finden Sie die Ersatzteilzeichnung für Tanaka Blasgeräte, Sauger, Häcksler, Mulchgeräte TBL-500 - Tanaka Backpack Blower Engine / Cylinder, Piston, Crankshaft. Wählen Sie das benötigte Ersatzteil aus der Ersatzteilliste Ihres Tanaka Gerätes aus und bestellen Sie einfach online. Viele Tanaka Ersatzteile halten wir ständig in unserem Lager für Sie bereit.

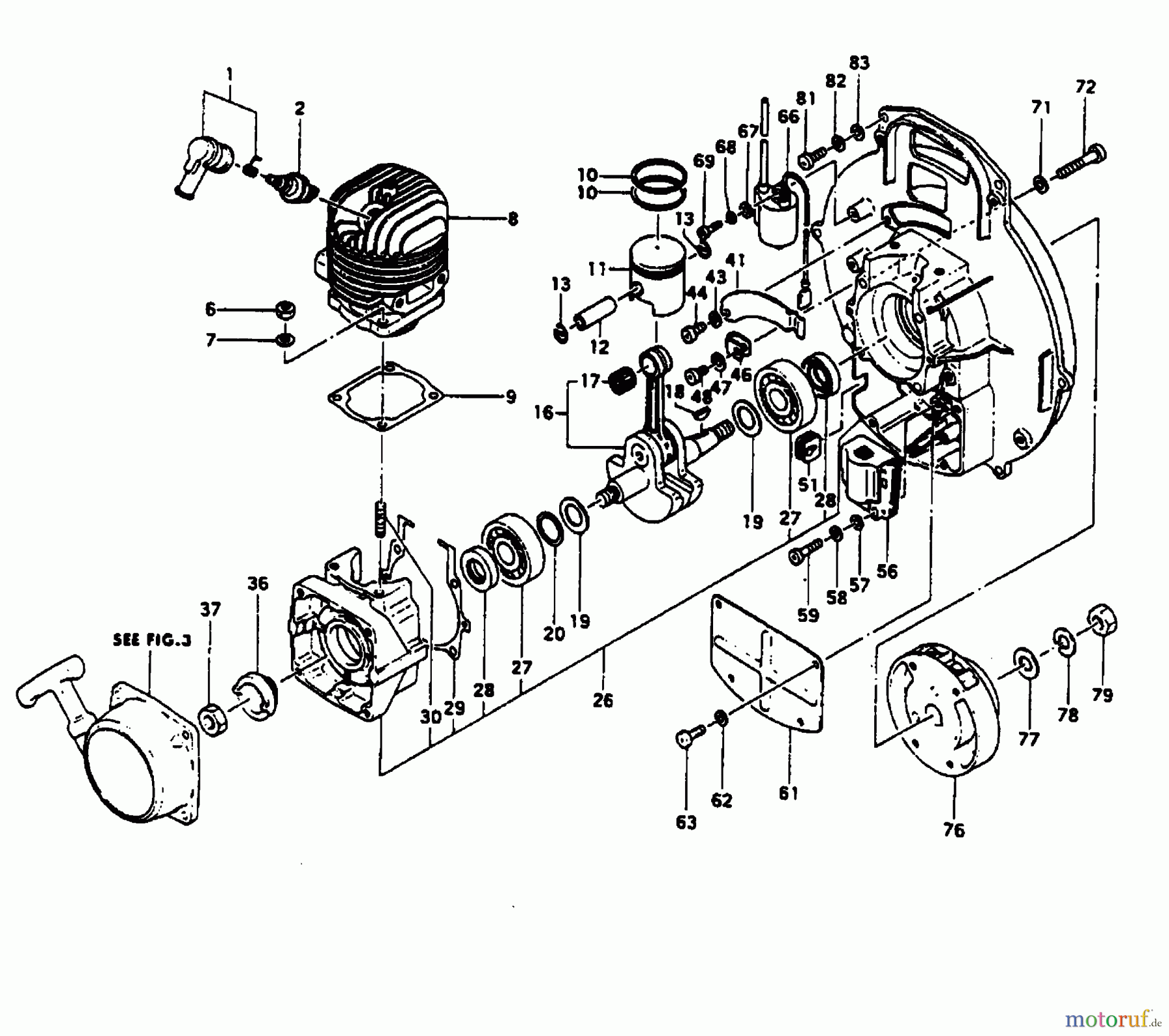
BildNrArtikel NummerBezeichnung
1 668-7479Kerzenstecker TBC500,TBC420/
2 668-5052Zündkerze CJ6
2 018-11600-21Zündkerze verw. BPM7a
6 668-4792Mutter M6
7 669-5219Scheibe -P219450, siehe TB
8 668-5549Zylinder TBL500/505
9 668-5727Zylinderfussdichtung .
10 668-6128Kolbenring .x
11 668-5940Kolben .
12 668-6007Kolbenbolzen TBC420/430PF,
13 668-6032Kolbenbolzensicherung TBC420/
16 668-6194Kurbelwelle .
17 669-5596Pleuellager TBC420/430PF,
18 668-6457Keil TBC500,TBC420/430PF,siehe
19 668-6464Scheibe f. Kurbelwelle .
20 668-6476Scheibe f. Kurbelwelle .
20 668-6477Kurbelwelle Ausgleichsscheibe
20 07111109220
20 668-6479Kurbelwelle Ausgleichsscheibe
20 668-6480Kurbelwelle Ausgleichsscheibe
26 07205015902
27 669-5573Kugellager 625-6303
27 999-61630-399Kugellager verwende 625-6303
28 669-5648verw. 669-5647
29 668-6716Kurbelgehaeusedichtung TBL4600
30 668-6770Stehbolzen .
36 669-3397Startermitnehmer kpl. TBC500
37 669-5139Mutter siehe TB
41 669-2263Gehäuse Platte
43 668-4662Sicherungsring 992-10050-012
44 668-4777Schraube 5x10 s.TB.
46 19800701201
47 668-4661Scheibe -P219450,P219451-,
48 990-11050-101Schraube 5x10 s.TB.
51 668-8050Kabelklemme TBC355SDH,TBC420/
56 668-7509Zuendspule .
57 6684864Scheibe TBC500,TBC300SDH,siehe
58 992-10050-012Sicherungsring -P219450,-
59 669-4893Schraube 5x22 TBC250/355SDH/
61 668-7983Platte .
62 992-10050-012Sicherungsring -P219450,-
63 990-11050-101Schraube 5x10 s.TB.
66 668-7692Zuendspule .x
67 668-5070Scheibe s.TB.
68 669-5211Scheibe siehe TB
69 669-4868Schraube . 4x15
71 992-10060-012Scheibe -P219450, siehe TB
72 669-4942Schraube . 6x35
76 668-7390Magnetrad .
77 669-5185Scheibe TBC500
78 669-5225Scheibe TBC500
79 99111110011
81 669-4888Schraube 5X15
82 992-10050-012Sicherungsring -P219450,-
83 992-01050-011Scheibe -P219450,P219451-,
Rasen
Bankeinzug, MasterCard, Visa, American Express, PayPal, Nachnahme, Vorauskasse, Sofortüberweisung
Datenschutzerklärung Impressum
Qualitätsmanagement
Informieren Sie uns, wenn Sie einen Fehler gefunden haben.