Tanaka TBC-255SFK - Smart Fit - 3 in 1 - Multi Task Tool Gear Case & Oiler Ersatzteile
Gear Case & Oiler TBC-255SFK - Tanaka Smart Fit - 3 in 1 - Multi Task Tool

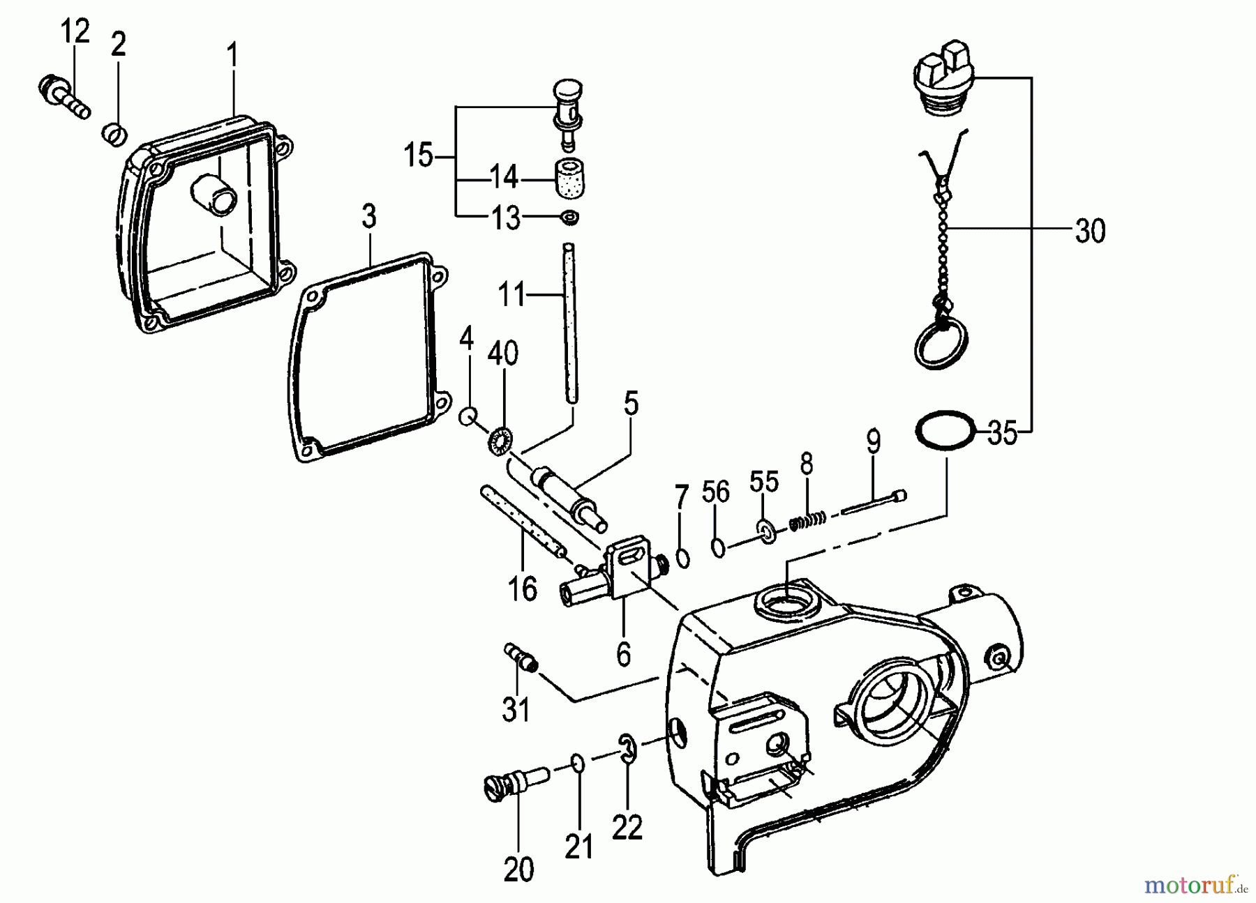
Hier finden Sie die Ersatzteilzeichnung für Tanaka Zubehör TBC-255SFK - Tanaka Smart Fit - 3 in 1 - Multi Task Tool Gear Case & Oiler. Wählen Sie das benötigte Ersatzteil aus der Ersatzteilliste Ihres Tanaka Gerätes aus und bestellen Sie einfach online. Viele Tanaka Ersatzteile halten wir ständig in unserem Lager für Sie bereit.


Qualitätsmanagement
Informieren Sie uns, wenn Sie einen Fehler gefunden haben.

