Einkaufswagen
Mein Konto

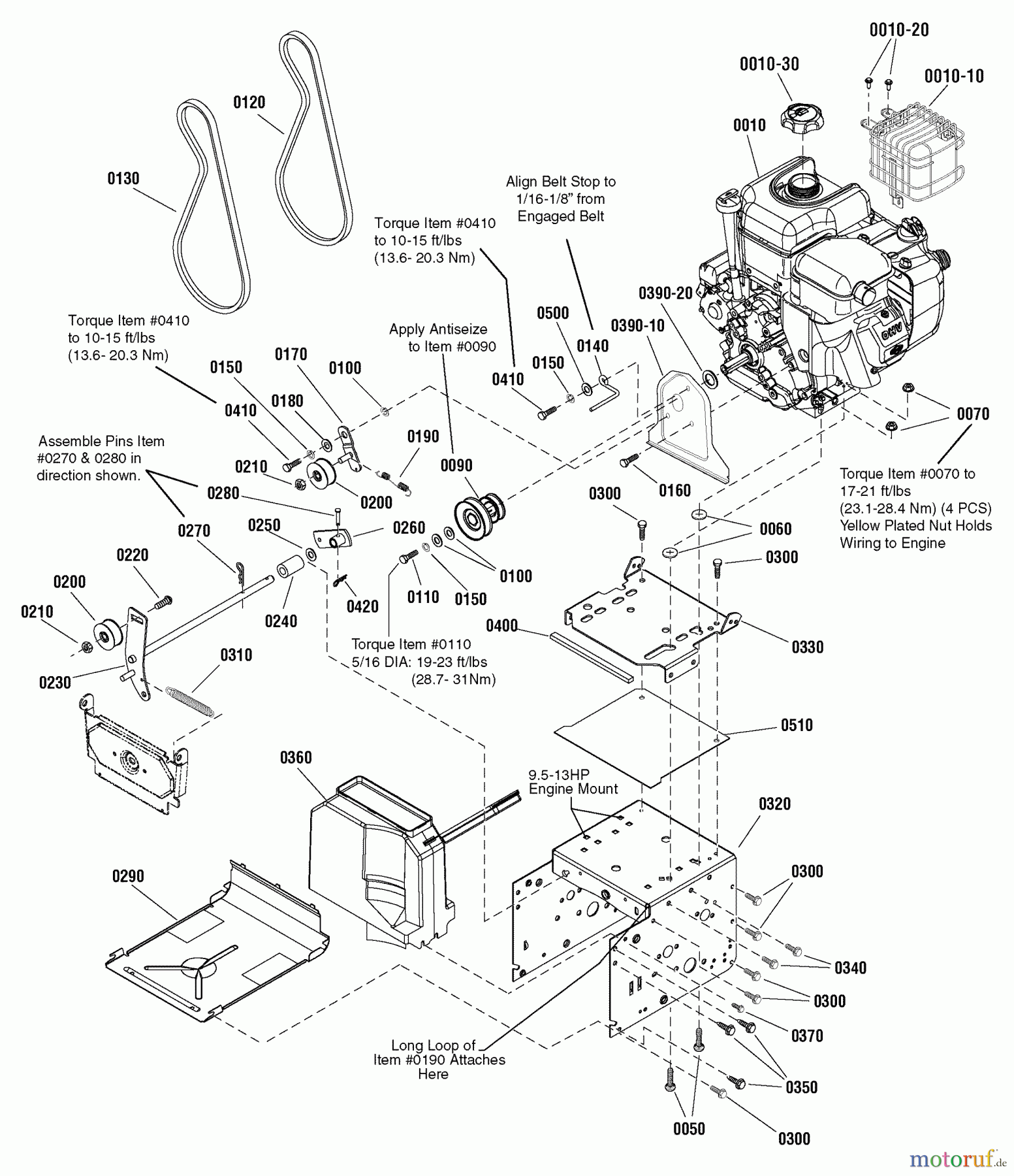
Snapper L1226EX (1696010) - 26" Snowthrower, 11.5 HP, Large Frame Engine & Frame Group Ersatzteile

Engine & Frame Group L1226EX (1696010) - Snapper 26" Snowthrower, 11.5 HP, Large Frame

 Snapper Schneefräsen L1226EX (1696010) - Snapper 26

Hier finden Sie die Ersatzteilzeichnung für Snapper Schneefräsen L1226EX (1696010) - Snapper 26" Snowthrower, 11.5 HP, Large Frame Engine & Frame Group. Wählen Sie das benötigte Ersatzteil aus der Ersatzteilliste Ihres Snapper Gerätes aus und bestellen Sie einfach online. Viele Snapper Ersatzteile halten wir ständig in unserem Lager für Sie bereit.

Rasen
Bankeinzug, MasterCard, Visa, American Express, PayPal, Nachnahme, Vorauskasse, Sofortüberweisung
Qualitätsmanagement
Informieren Sie uns, wenn Sie einen Fehler gefunden haben.