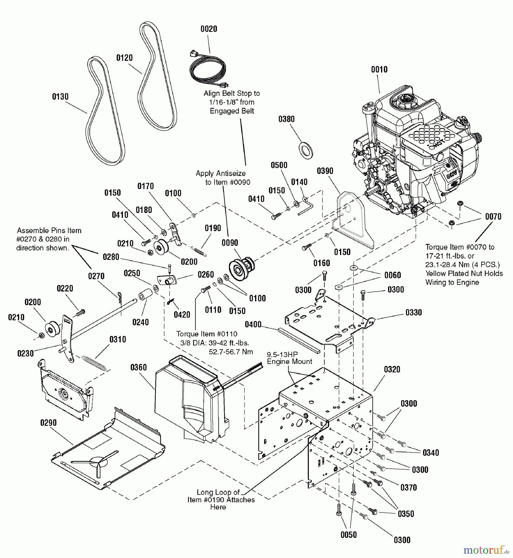
Snapper L1226E (1695679) - 26" Snowthrower, 11.0 HP, Two Stage, Large Frame Engine Group - 11.5TP Ersatzteile
Engine Group - 11.5TP L1226E (1695679) - Snapper 26" Snowthrower, 11.0 HP, Two Stage, Large Frame

Hier finden Sie die Ersatzteilzeichnung für Snapper Schneefräsen L1226E (1695679) - Snapper 26" Snowthrower, 11.0 HP, Two Stage, Large Frame Engine Group - 11.5TP. Wählen Sie das benötigte Ersatzteil aus der Ersatzteilliste Ihres Snapper Gerätes aus und bestellen Sie einfach online. Viele Snapper Ersatzteile halten wir ständig in unserem Lager für Sie bereit.






