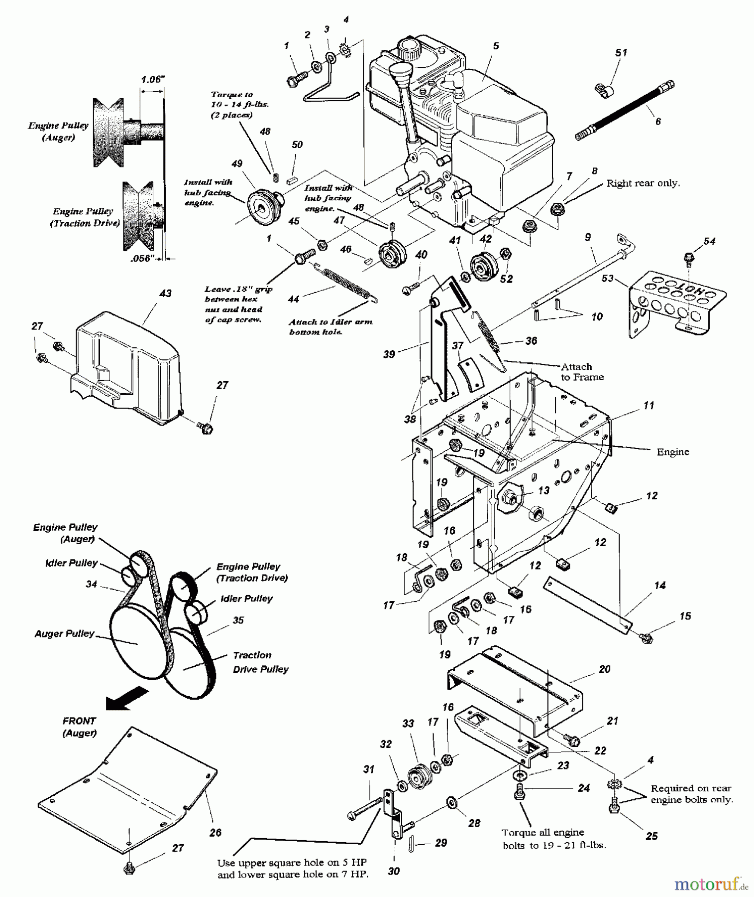
Snapper I5225 (85665) - 22" Snowthrower, 5 HP, Two Stage, Intermediate Frame, Series 5 ENGINE, PULLEYS, IDLER (5 HP Tecumseh) Ersatzteile
ENGINE, PULLEYS, IDLER (5 HP Tecumseh) I5225 (85665) - Snapper 22" Snowthrower, 5 HP, Two Stage, Intermediate Frame, Series 5

Hier finden Sie die Ersatzteilzeichnung für Snapper Schneefräsen I5225 (85665) - Snapper 22" Snowthrower, 5 HP, Two Stage, Intermediate Frame, Series 5 ENGINE, PULLEYS, IDLER (5 HP Tecumseh). Wählen Sie das benötigte Ersatzteil aus der Ersatzteilliste Ihres Snapper Gerätes aus und bestellen Sie einfach online. Viele Snapper Ersatzteile halten wir ständig in unserem Lager für Sie bereit.


Qualitätsmanagement
Informieren Sie uns, wenn Sie einen Fehler gefunden haben.


