Snapper H824RX (1695851) - 24" Snowthrower, 9 HP, Two Stage, Intermediate Frame Engine & Frame Group Ersatzteile
Engine & Frame Group H824RX (1695851) - Snapper 24" Snowthrower, 9 HP, Two Stage, Intermediate Frame

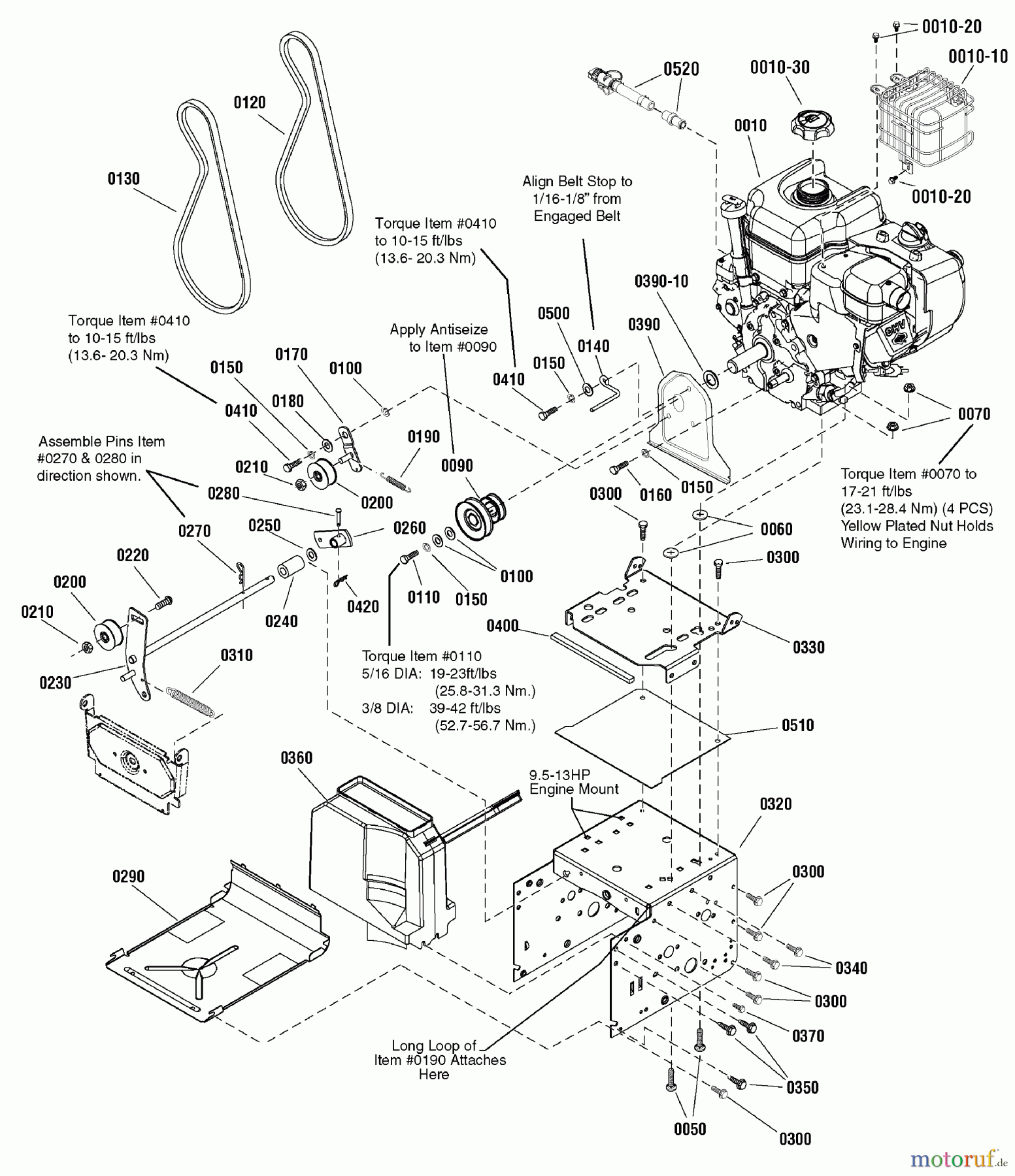
Hier finden Sie die Ersatzteilzeichnung für Snapper Schneefräsen H824RX (1695851) - Snapper 24" Snowthrower, 9 HP, Two Stage, Intermediate Frame Engine & Frame Group. Wählen Sie das benötigte Ersatzteil aus der Ersatzteilliste Ihres Snapper Gerätes aus und bestellen Sie einfach online. Viele Snapper Ersatzteile halten wir ständig in unserem Lager für Sie bereit.






