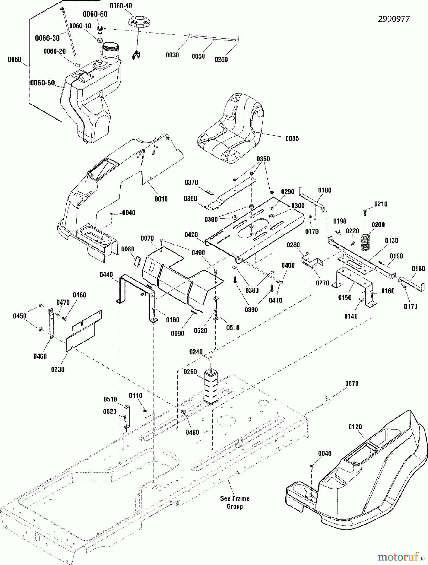
Snapper ZT21546 (2691137-00) - 46" Zero-Turn Mower, 21.5 HP, ZT Twin Stick Rider 200Z Series Seat, Body & Fuel Tank Group Ersatzteile
Seat, Body & Fuel Tank Group ZT21546 (2691137-00) - Snapper 46" Zero-Turn Mower, 21.5 HP, ZT Twin Stick Rider 200Z Series

Hier finden Sie die Ersatzteilzeichnung für Snapper Nullwendekreismäher, Zero-Turn ZT21546 (2691137-00) - Snapper 46" Zero-Turn Mower, 21.5 HP, ZT Twin Stick Rider 200Z Series Seat, Body & Fuel Tank Group. Wählen Sie das benötigte Ersatzteil aus der Ersatzteilliste Ihres Snapper Gerätes aus und bestellen Sie einfach online. Viele Snapper Ersatzteile halten wir ständig in unserem Lager für Sie bereit.




