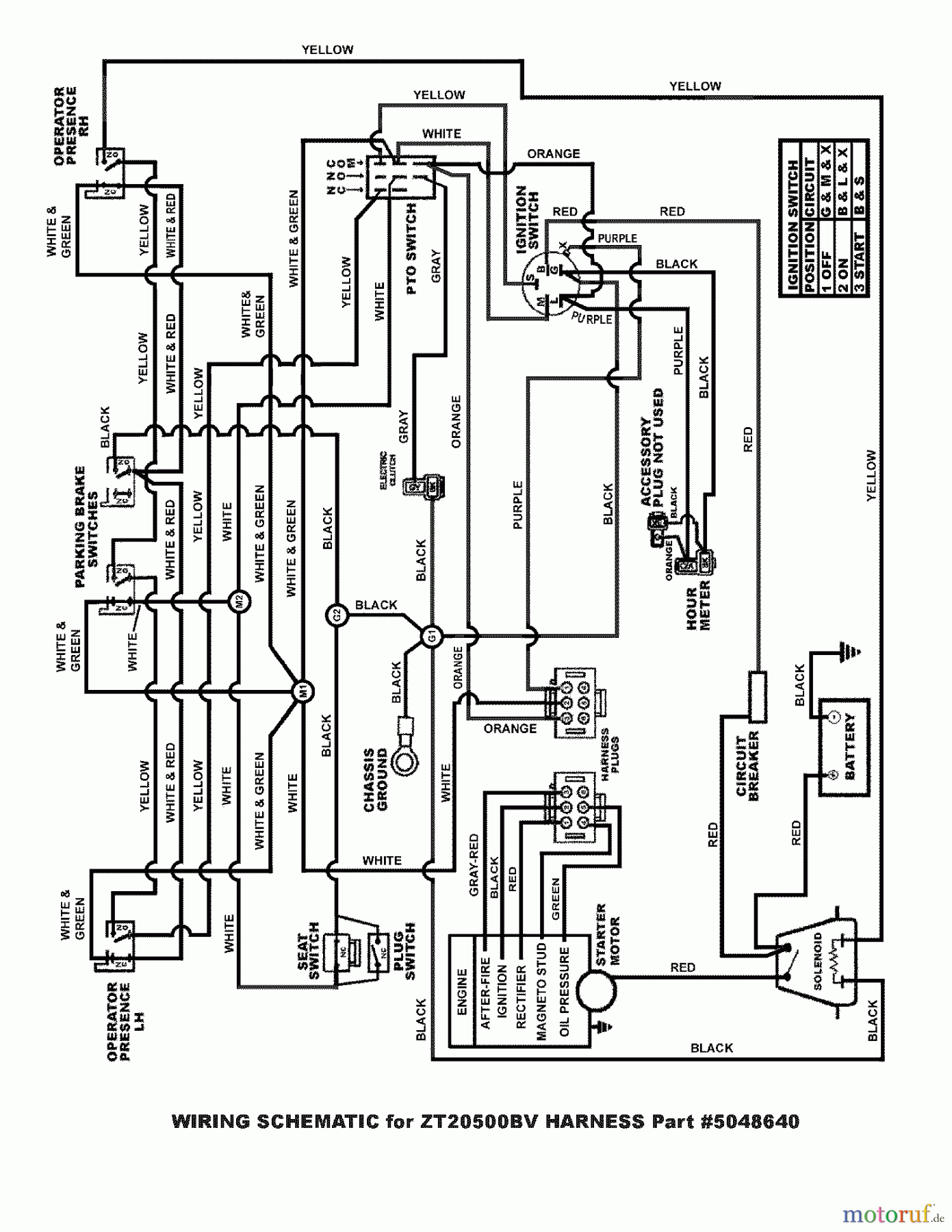
Snapper ZT20501BV (5900610) - 50" Zero-Turn Mower, 20 HP, ZTR FastCut Series 1 Wiring Schematic 20hp Ersatzteile
Wiring Schematic 20hp ZT20501BV (5900610) - Snapper 50" Zero-Turn Mower, 20 HP, ZTR FastCut Series 1

Hier finden Sie die Ersatzteilzeichnung für Snapper Nullwendekreismäher, Zero-Turn ZT20501BV (5900610) - Snapper 50" Zero-Turn Mower, 20 HP, ZTR FastCut Series 1 Wiring Schematic 20hp. Wählen Sie das benötigte Ersatzteil aus der Ersatzteilliste Ihres Snapper Gerätes aus und bestellen Sie einfach online. Viele Snapper Ersatzteile halten wir ständig in unserem Lager für Sie bereit.


Qualitätsmanagement
Informieren Sie uns, wenn Sie einen Fehler gefunden haben.

