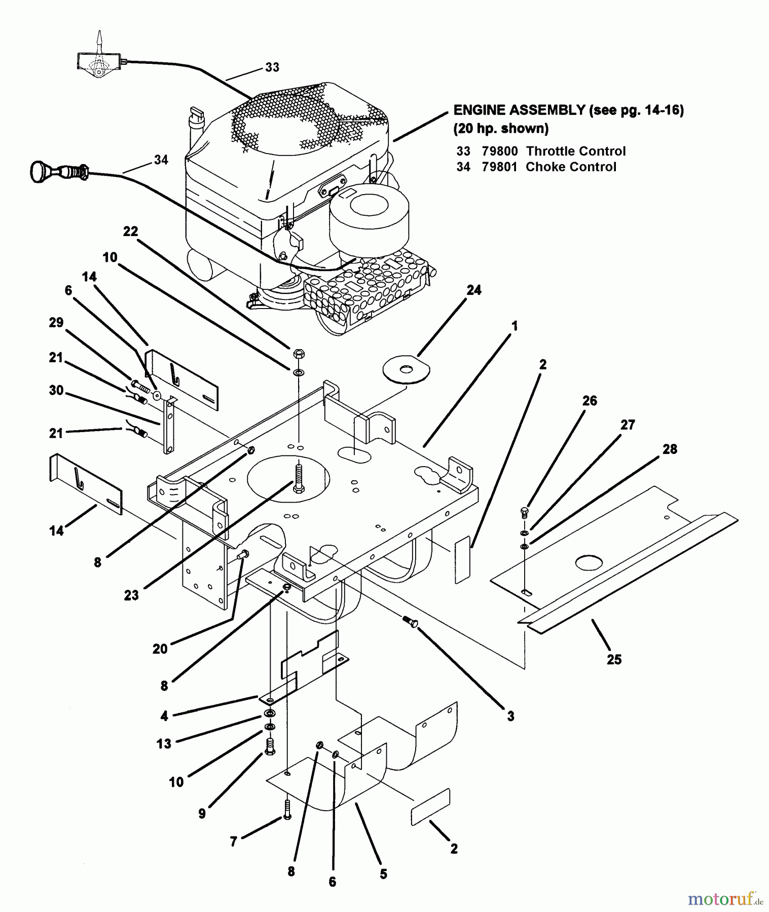
Snapper Z2002K (80186) - 20 HP Zero-Turn Mower, Hydro Drive, ZTR Series 2 Motor Mount Assembly (Part 2) Ersatzteile
Motor Mount Assembly (Part 2) Z2002K (80186) - Snapper 20 HP Zero-Turn Mower, Hydro Drive, ZTR Series 2

Hier finden Sie die Ersatzteilzeichnung für Snapper Nullwendekreismäher, Zero-Turn Z2002K (80186) - Snapper 20 HP Zero-Turn Mower, Hydro Drive, ZTR Series 2 Motor Mount Assembly (Part 2). Wählen Sie das benötigte Ersatzteil aus der Ersatzteilliste Ihres Snapper Gerätes aus und bestellen Sie einfach online. Viele Snapper Ersatzteile halten wir ständig in unserem Lager für Sie bereit.



