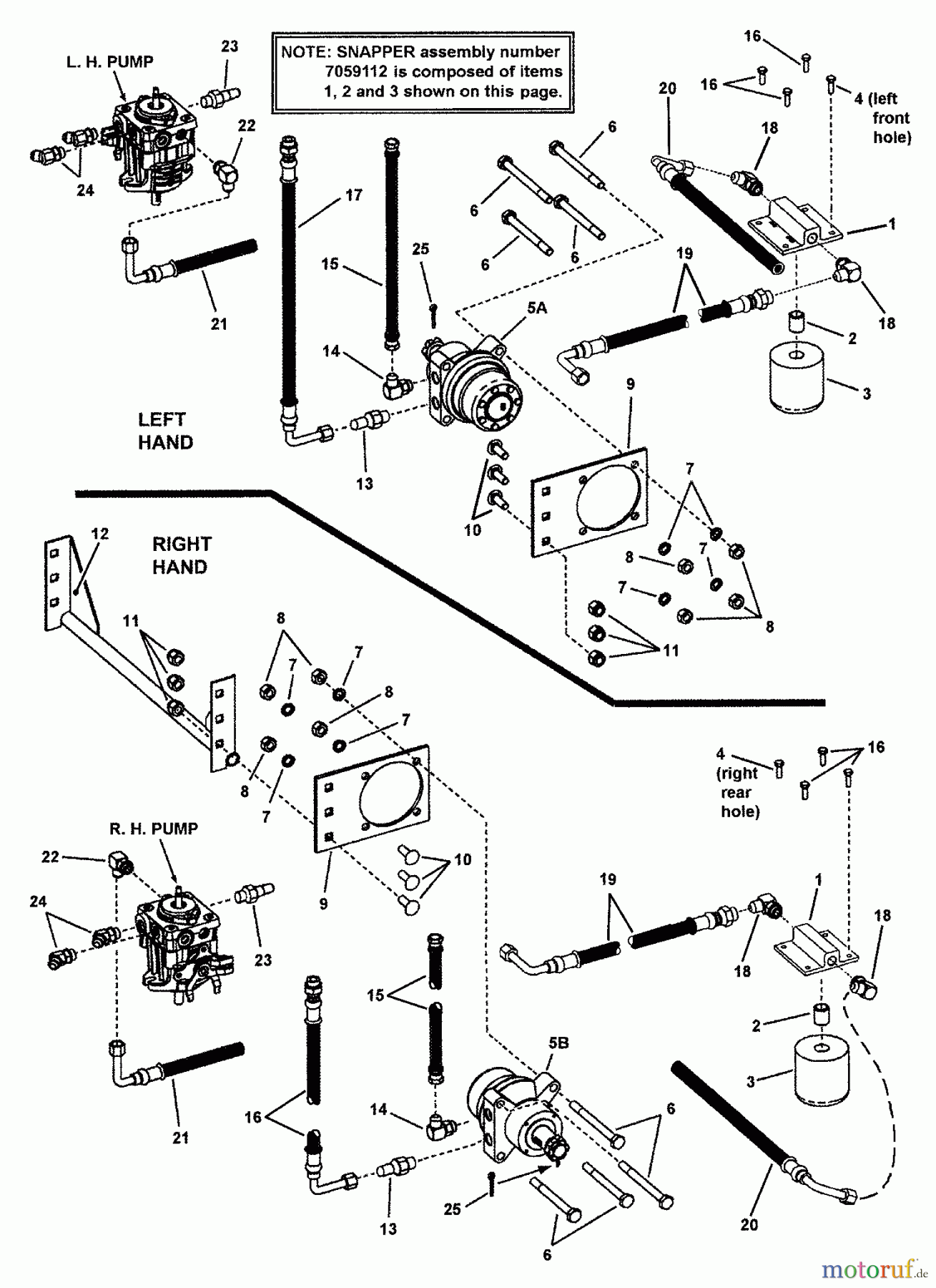
Snapper NZMJ23521KH (84938) - 52" Zero-Turn Mower, 23 HP, Kohler, Mid Mount, Z-Rider Commercial Lawn & Turf Series 1 HOSE ASSEMBLY (52" DECK) Series1 Ersatzteile
HOSE ASSEMBLY (52" DECK) Series1 NZMJ23521KH (84938) - Snapper 52" Zero-Turn Mower, 23 HP, Kohler, Mid Mount, Z-Rider Commercial Lawn & Turf Series 1

Hier finden Sie die Ersatzteilzeichnung für Snapper Nullwendekreismäher, Zero-Turn NZMJ23521KH (84938) - Snapper 52" Zero-Turn Mower, 23 HP, Kohler, Mid Mount, Z-Rider Commercial Lawn & Turf Series 1 HOSE ASSEMBLY (52" DECK) Series1. Wählen Sie das benötigte Ersatzteil aus der Ersatzteilliste Ihres Snapper Gerätes aus und bestellen Sie einfach online. Viele Snapper Ersatzteile halten wir ständig in unserem Lager für Sie bereit.



