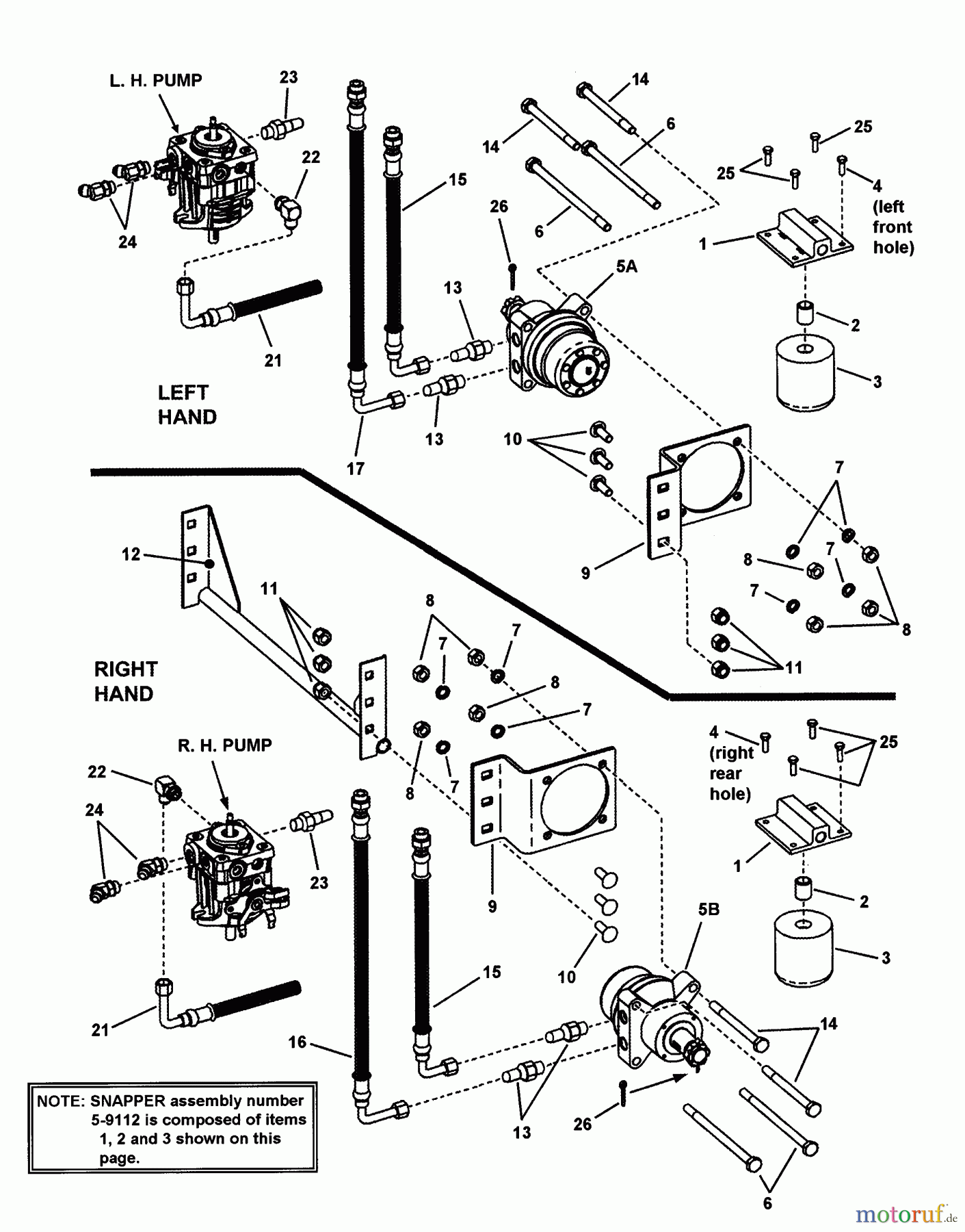
Snapper NZM27611KH (80386) - 61" Zero-Turn Mower, 27 HP, Kohler, Mid Mount, Z-Rider Commercial Lawn & Turf Series 1 HOSE ASSEMBLY (61" DECK, SERIES 1) PT.1 Ersatzteile
HOSE ASSEMBLY (61" DECK, SERIES 1) PT.1 NZM27611KH (80386) - Snapper 61" Zero-Turn Mower, 27 HP, Kohler, Mid Mount, Z-Rider Commercial Lawn & Turf Series 1

Hier finden Sie die Ersatzteilzeichnung für Snapper Nullwendekreismäher, Zero-Turn NZM27611KH (80386) - Snapper 61" Zero-Turn Mower, 27 HP, Kohler, Mid Mount, Z-Rider Commercial Lawn & Turf Series 1 HOSE ASSEMBLY (61" DECK, SERIES 1) PT.1. Wählen Sie das benötigte Ersatzteil aus der Ersatzteilliste Ihres Snapper Gerätes aus und bestellen Sie einfach online. Viele Snapper Ersatzteile halten wir ständig in unserem Lager für Sie bereit.


Qualitätsmanagement
Informieren Sie uns, wenn Sie einen Fehler gefunden haben.

