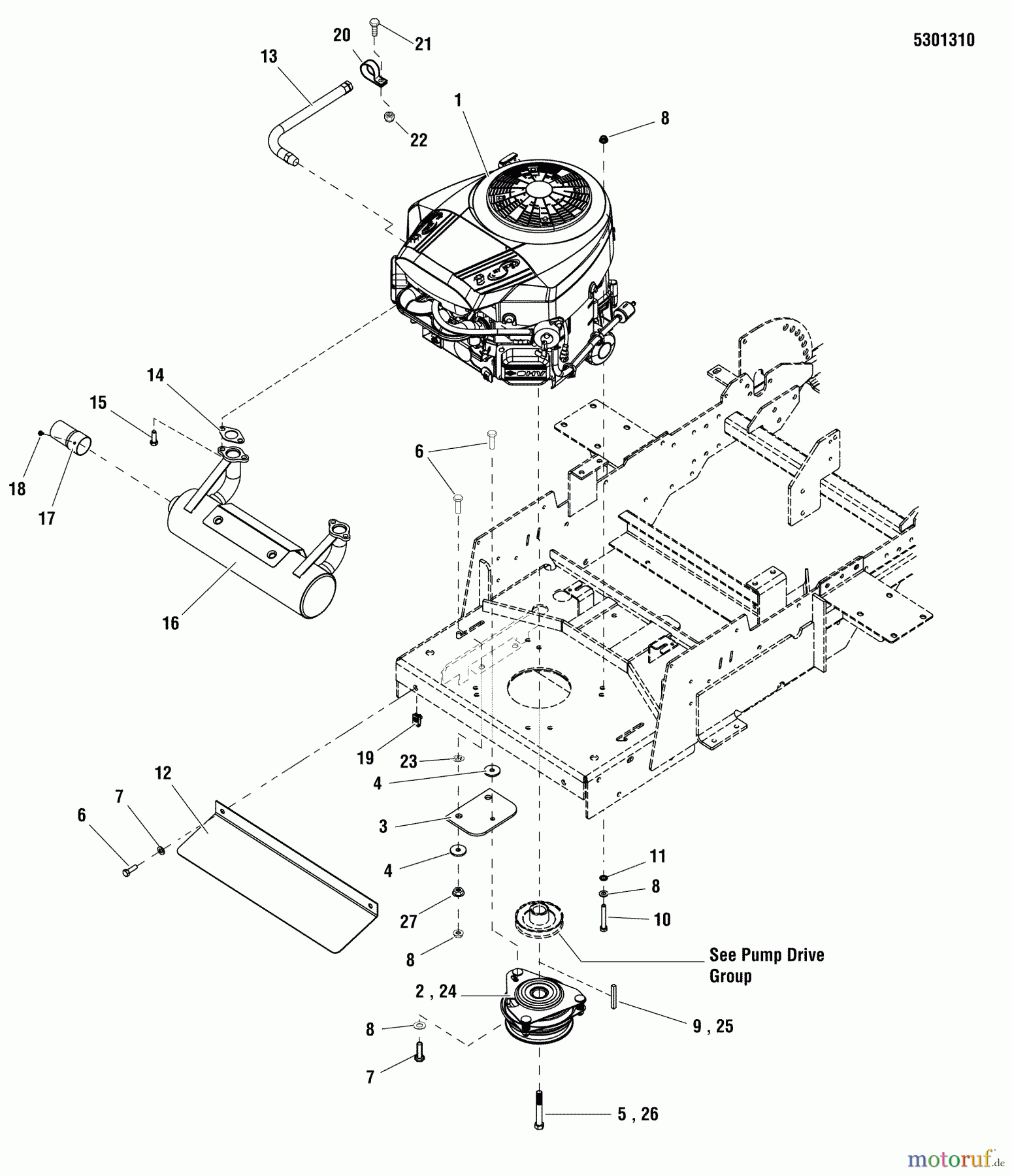
Snapper 355ZB2654, DLR (5900768) - 54" Zero-Turn Mower, 26 HP, ZTR 355 Rear-Engine Riders Series Engine & PTO Group Ersatzteile
Engine & PTO Group 355ZB2654, DLR (5900768) - Snapper 54" Zero-Turn Mower, 26 HP, ZTR 355 Rear-Engine Riders Series

Hier finden Sie die Ersatzteilzeichnung für Snapper Nullwendekreismäher, Zero-Turn 355ZB2654, DLR (5900768) - Snapper 54" Zero-Turn Mower, 26 HP, ZTR 355 Rear-Engine Riders Series Engine & PTO Group. Wählen Sie das benötigte Ersatzteil aus der Ersatzteilliste Ihres Snapper Gerätes aus und bestellen Sie einfach online. Viele Snapper Ersatzteile halten wir ständig in unserem Lager für Sie bereit.



