Snapper SPV22725HW (7800831) - 22" Walk-Behind Mower, 7.25 HP, Variable Speed High Wheel Wheel Group, 4 Point HOC, High-Wheel Ersatzteile
Wheel Group, 4 Point HOC, High-Wheel SPV22725HW (7800831) - Snapper 22" Walk-Behind Mower, 7.25 HP, Variable Speed High Wheel

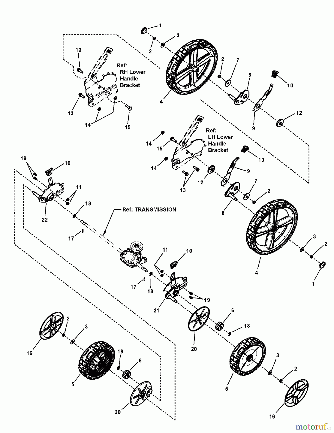
Hier finden Sie die Ersatzteilzeichnung für Snapper Rasenmäher SPV22725HW (7800831) - Snapper 22" Walk-Behind Mower, 7.25 HP, Variable Speed High Wheel Wheel Group, 4 Point HOC, High-Wheel. Wählen Sie das benötigte Ersatzteil aus der Ersatzteilliste Ihres Snapper Gerätes aus und bestellen Sie einfach online. Viele Snapper Ersatzteile halten wir ständig in unserem Lager für Sie bereit.



